EasyManua.ls Logo

Atari Breakout - Page 46

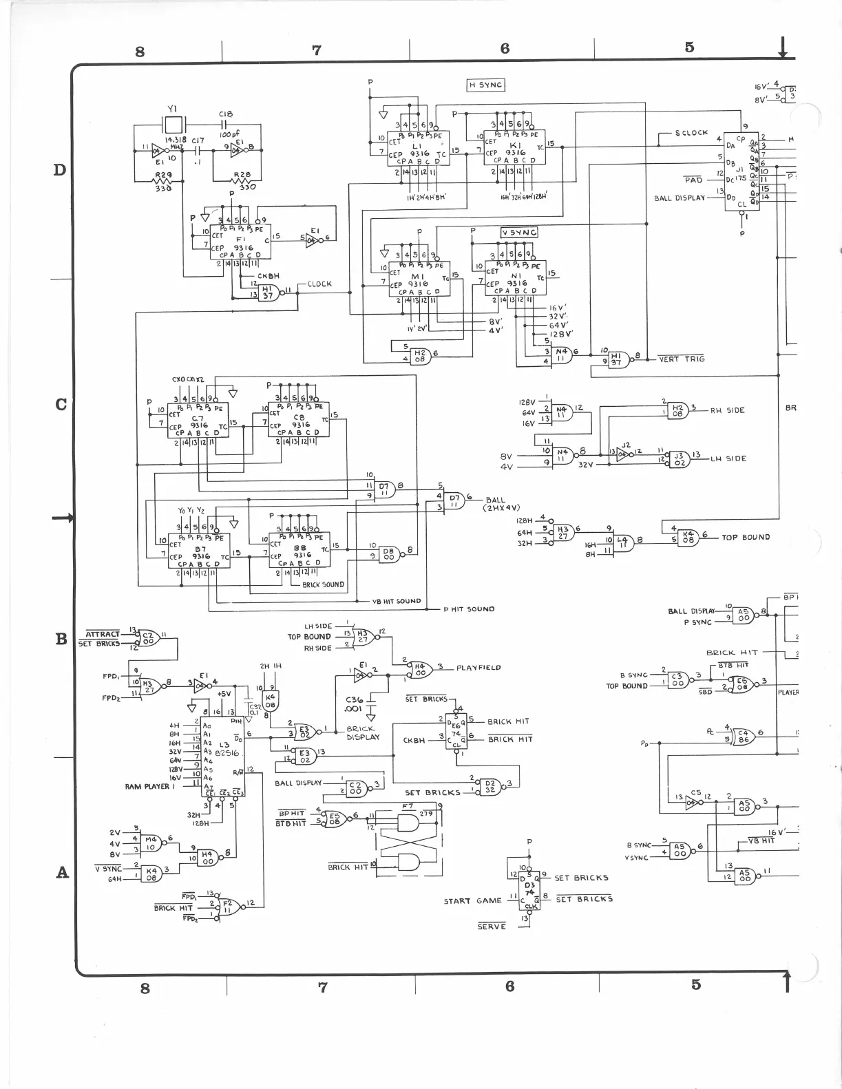
Atari Breakout
62 pages
Print Icon
To Next Page IconTo Next Page
To Next Page IconTo Next Page
To Previous Page IconTo Previous Page
To Previous Page IconTo Previous Page
Loading...
8
7
6
D
c
P
HIT
50\JNO
LH
SID(
B
ATIRAC.T
"TOP
BOUND
~
RH
SIDE
FP0
1
PLA'fFIEl.D
FPDz.
BRICK
Hl1
BRIC.K
H
11
p
A
STAR"T
GAME
8
7
6
5
S
CLOCK
BALL
DISPLA'I' -
VERT
T~IG
BALL
DISPlA'I'
P
s'fNC
B
S'1NC.
TOP
WUND
fl
Pp
SET
BRIC.KS
SET
BRIC.KS
5
4-
,4
16V~
av'---2ci.2
8R
TOP
BOUND
3
PLA'l't:~
6
ii

Related product manuals