EasyManua.ls Logo

Atlantic CMG-BD0 - Page 6

Atlantic CMG-BD0
28 pages
Print Icon
To Next Page IconTo Next Page
To Next Page IconTo Next Page
To Previous Page IconTo Previous Page
To Previous Page IconTo Previous Page
Loading...
EN
6
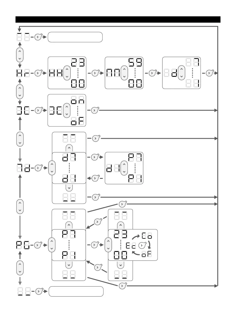
APPLIANCE SETTINGS MENU
Exit the settings
Exit the settings

Related product manuals