EasyManua.ls Logo

Atlas Copco LE 3 - Page 27

Atlas Copco LE 3
80 pages
To Next Page IconTo Next Page
To Next Page IconTo Next Page
To Previous Page IconTo Previous Page
To Previous Page IconTo Previous Page
Loading...
2920 7089 80 25
Instruction book
9820 2239 42/06
81452D
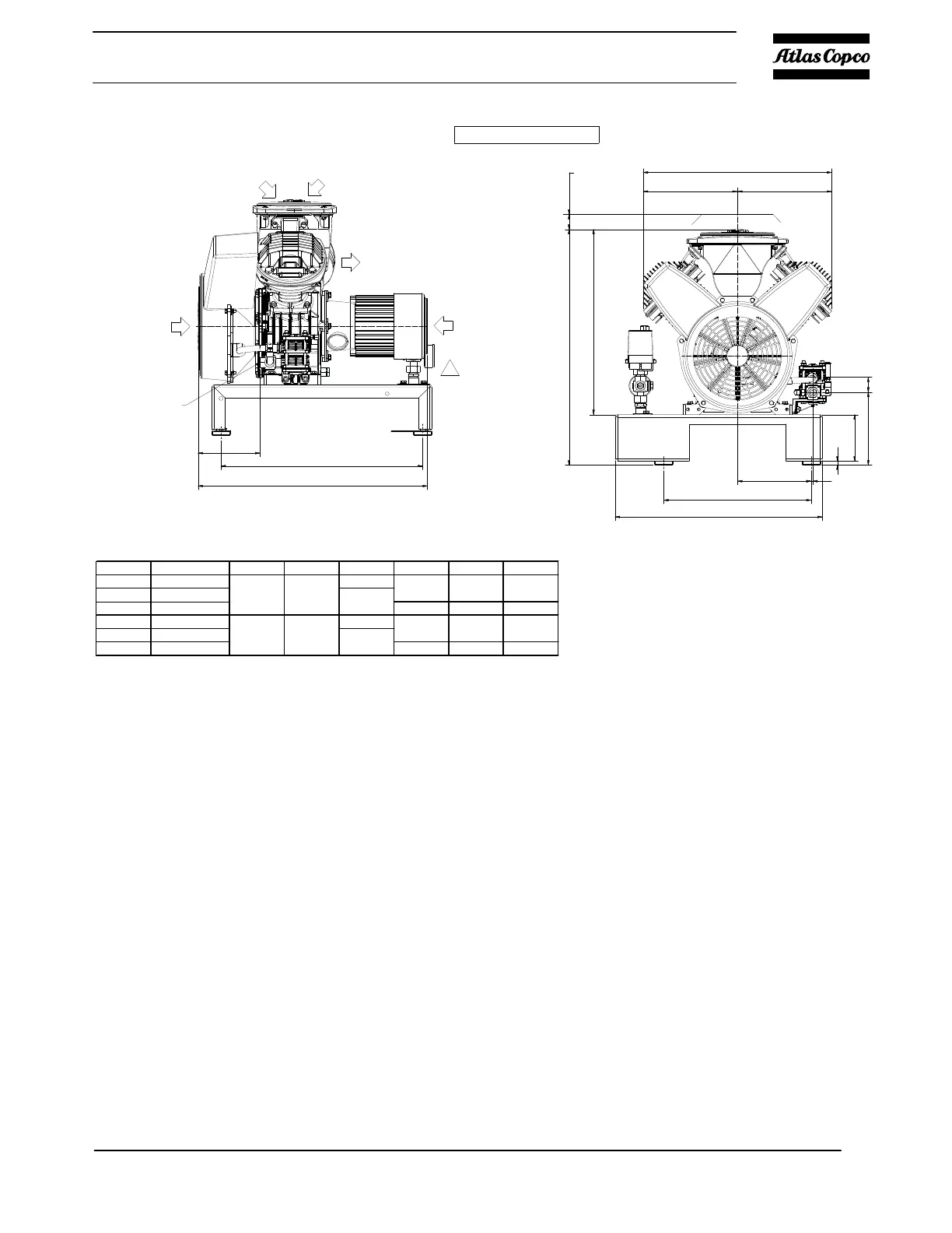
Type Net M ass (K g) A B C D E F
LE/LF 2 47 613
LE/LF 3 51
LE/LF 5 53 205 641 506
LT 2 47 613
LT 3 51
LT 5 53
205 641 506
504 252
533 279
496
496
631
682
682
195
195 631
BM LE/LT/LF 2-3-5 DOL
252
B
A
1
0
D
4
0
1
2
5
555
4
198
395
E
4
0
F
For dismantling
Air filter
Compressor
Cooling Air inlet
Cooling Air outlet
Motor
Cooling Air inlet
Compressor air Inlet
C
540
166
Compressed Air oulet
G 1/2"
6
LE 2 up to LE 5, Base-mounted

Related product manuals