EasyManua.ls Logo

Atlas Copco LFx 1.5

Atlas Copco LFx 1.5
50 pages
To Next Page IconTo Next Page
To Next Page IconTo Next Page
To Previous Page IconTo Previous Page
To Previous Page IconTo Previous Page
Loading...
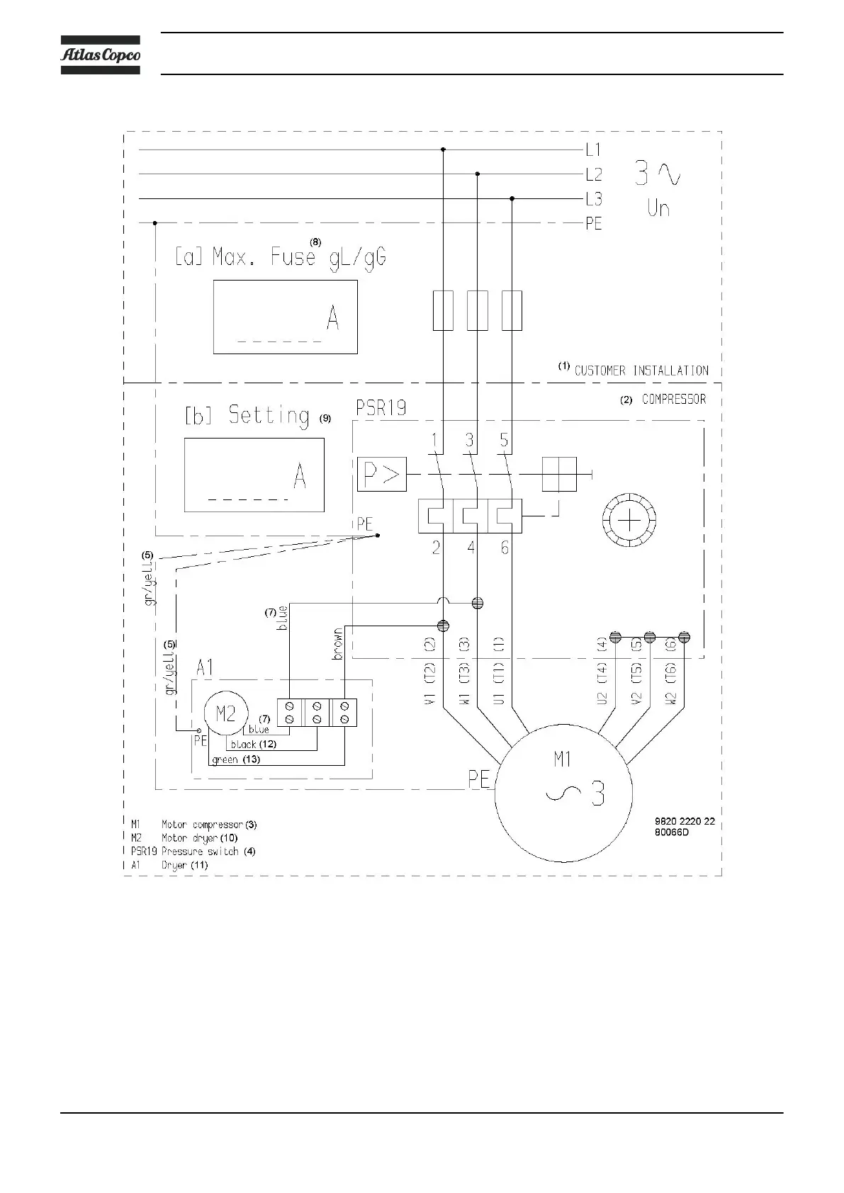
3-phase 400 V - 50 Hz and 440-460 V - 60 Hz with CDXF air dryer
Instruction book
26 2920 7002 03

Related product manuals