EasyManua.ls Logo

Atlas Copco LFx 1.5

Atlas Copco LFx 1.5
50 pages
To Next Page IconTo Next Page
To Next Page IconTo Next Page
To Previous Page IconTo Previous Page
To Previous Page IconTo Previous Page
Loading...
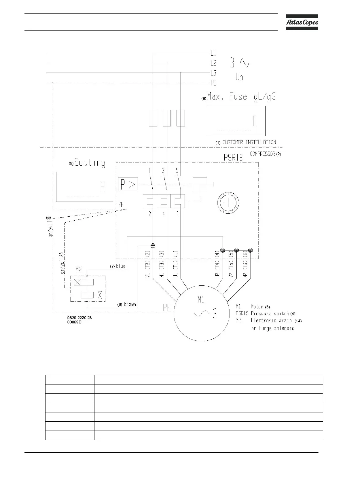
3-phase 400 V - 50 Hz and 440-460 V - 60 Hz with electronic drain or purge solenoid
Reference Designation
(1) Customer’s installation
(2) Compressor
(3) Motor
(4) Pressure switch
(5) Green/yellow
(6) Brown
Instruction book
2920 7002 03 29

Related product manuals