EasyManua.ls Logo

Atlas Copco LT20/30

Atlas Copco LT20/30
74 pages
To Next Page IconTo Next Page
To Next Page IconTo Next Page
To Previous Page IconTo Previous Page
To Previous Page IconTo Previous Page
Loading...
Instruction book
(
1
)
(3)
(14)
(5)
(4)
9821 0468 00/8
55755D
15
20
15-30
20-30
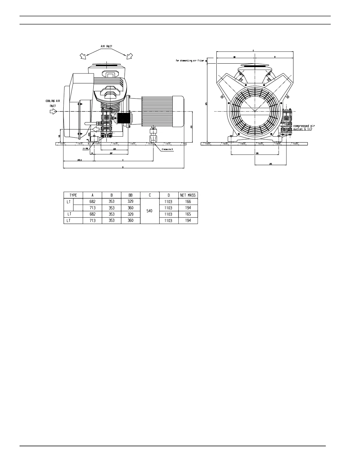
See page 35 for the text on this figure
Fig. 2.4 Dimension drawing, LT15, -20 and LT15-30, LT20-30 Power Pack
2920 1585 00 - 18 -

Table of Contents

Related product manuals