EasyManua.ls Logo

Atlas Copco XAS 130 DD7 - Page 26

Atlas Copco XAS 130 DD7
72 pages
To Next Page IconTo Next Page
To Next Page IconTo Next Page
To Previous Page IconTo Previous Page
To Previous Page IconTo Previous Page
Loading...
26
Instruction Manual
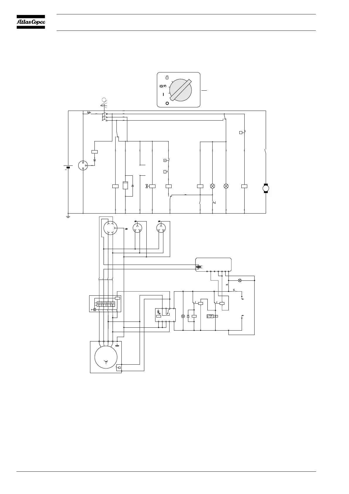
2.8.5 CIRCUIT DIAGRAM XAS 67 DDG - XAS 130 DD7G, XAS 97 DDG - XAS 185 DD7G
(G
ENERATOR DDG IT 230/400V, 6 kVA WITH AUTOMATIC CONTROL SYSTEM)
(Not on HardHat)
10
12 12 12 12 12 12 12
V2
h
V1
12
12
K2
S4
K2
H1
H2
K1
S5
K3
K4
S1
F1
K4
G1
G2
K0
P1
Y1
K3
S3
S2
K0
M1
M
+
B+
D+
D-
6'
7
6
17
19
22 23
10A
5
30
31
33
32
1
2
3
4
15
16
18
83 3 3 3
35
34
12'
27
26
3'
4'
14
12
2'
1'
7'
8'
15
12
4
99 9 11
13
10
11
14'
15'
13'
5
3
29
28
25
24
9
7
8
6
20
21
(Lamp-
tester)
General
alarm
K1
Temp
5'
12V DC
0
p
9',10',11'
0
1
2
3
13
Auxiliary
To Circuit diagram
9822 1055 90
S1
3
2
1
0
H3
S6
u
EA
A1
A2
K5
35
52
51
S7
P
B
R
Y2
K5
1
2
3
4
5
6
7
8
X1.3
L2
N
NL2
16A
c54
c6c0
U
V
W
V1
U1
W1
N
N
X1.1
X1.2
L1
L2
L3
L2
N
N
L1
L2
L3
N
N
L3
L2
L1
16A
NL2
16A
10A
Q1
16A 10A 16A
G
NW1V1U1
G3
c54
c6c0
c54c6c0c0c0
C6C0C0
b3
C0
c6c0c0c0
13
N
12
3
b6 b6
12
b6
b3
b0
b0
To Circuit
diagram
9822 0797 01
34
W1
12
b54
b0
b6
12
b54
b54
b3
16
b0
N
b6
16
W1
b0
b0
16
b6
W1
13
b6
12
b3
13
b3
3
4
S8
H4
A1
A2
K8
13
b3
A1
A2
K7
b6
12
b6
12
b6
9
b3
b3
b3
b3
b3b3
b6
b6
b3
b3
11
15
L
A2
A1
PE
TR
14
12
11
R<
K6
D1
2
1
3
45
67
E1
The compressor is equipped with a negative earthed system.
For location of relais K1, K2, K3, K4, see paragraph 2.8.1
D1 Diode
E1 Ecologiser
F1 Circuit Breaker (10 A)
G1 Alternator
G2 Battery
G3 Generator
H1 Temperature Alarm Lamp
H2 General Alarm Lamp
H3 Lamp (Power Control)
H4 Lamp automatic control system
K0 Starter Solenoid (part of M1)
K1 Shut-down Relay
K2 Blocking Relay
K3 Override Start Relay
K4 Start Relay
K5 Contactor/4-pole
K6 Insulation monitoring relay
K7 Time relais
K8 Time relais
M1 Starter Motor
P1 Hourmeter
Q1 Main circuit breaker 4-pole +
shunt tripcoil
S1 Contact Switch
(Off-On-Override-start)
S2 Temperature Switch Engine
S3 Oil Pressure Switch Engine
S4 Lamptest Switch
S5 Temperature Switch
Compressor
S6 Thermalcontact
S7 Switch (Generator-
compressor)
S8 Switch automatic control
system
V1 Diode
V2 Diode
X1.1 Socket outlet
X1.2 Socket outlet
X1.3 Socket outlet
Y1 Fuel solenoid Valve
Y2 Solenoid valve
(Generator action)
Circuit diagram (No. 9822 0797 01 + No. 9822 1055 90)
Fig. 2.9

Table of Contents

Related product manuals