EasyManua.ls Logo

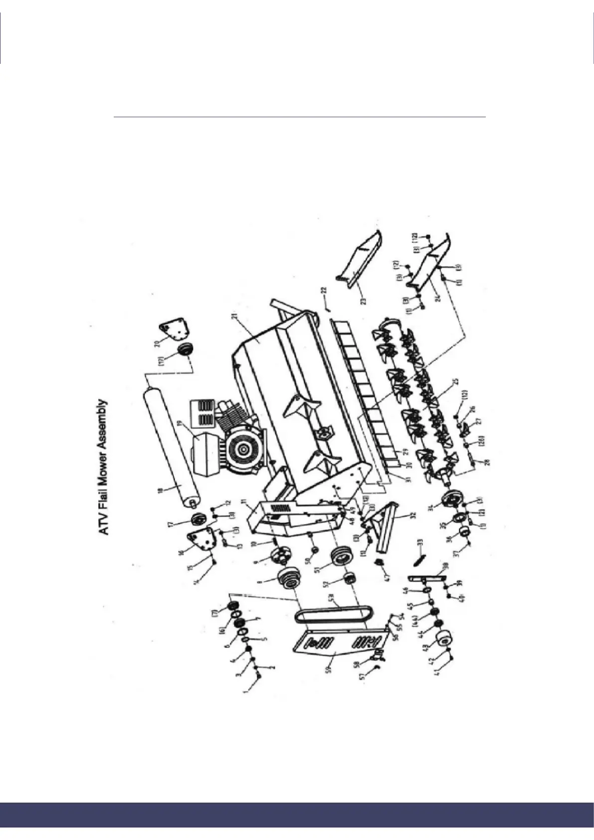
ATV ATVM120 - Part Lists and Assemblies; ATV Flail Mower Assembly Overview

ATV ATVM120
31 pages
Print Icon
To Next Page IconTo Next Page
To Next Page IconTo Next Page
To Previous Page IconTo Previous Page
To Previous Page IconTo Previous Page
Loading...
22
ATV Flail Mower Part List

Related product manuals