EasyManua.ls Logo

ATV ATVM120 - Page 24

ATV ATVM120
31 pages
Print Icon
To Next Page IconTo Next Page
To Next Page IconTo Next Page
To Previous Page IconTo Previous Page
To Previous Page IconTo Previous Page
Loading...
24
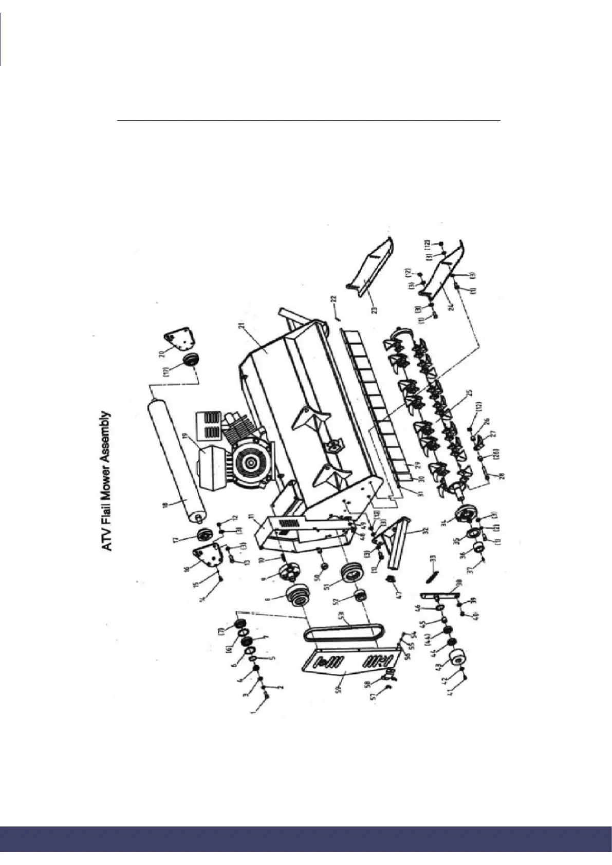
ATV Flail Mower Part List

Related product manuals