EasyManua.ls Logo

Audiopipe APCL-6002 - Page 4

Audiopipe APCL-6002
12 pages
Print Icon
To Next Page IconTo Next Page
To Next Page IconTo Next Page
To Previous Page IconTo Previous Page
To Previous Page IconTo Previous Page
Loading...
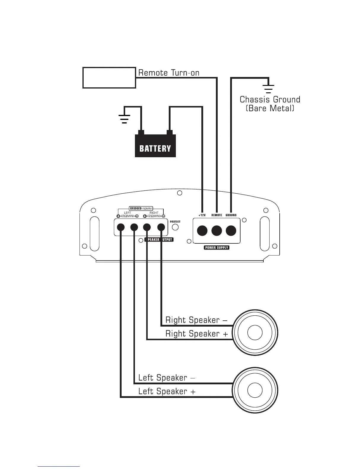
Connections for power and speakers
APCL-6002