EasyManua.ls Logo

AUTEC AL3044 - Electrical Diagram

AUTEC AL3044
8 pages
Print Icon
To Next Page IconTo Next Page
To Next Page IconTo Next Page
To Previous Page IconTo Previous Page
To Previous Page IconTo Previous Page
Loading...
INSTALLATION-MANUAL
4-Colomn
AL3044
AL4044
AL4044/VS
AL4044/VANS
AL5044
AL5044/T
ISSUED 22-7-2008
AUTEC Hefbruggen bv
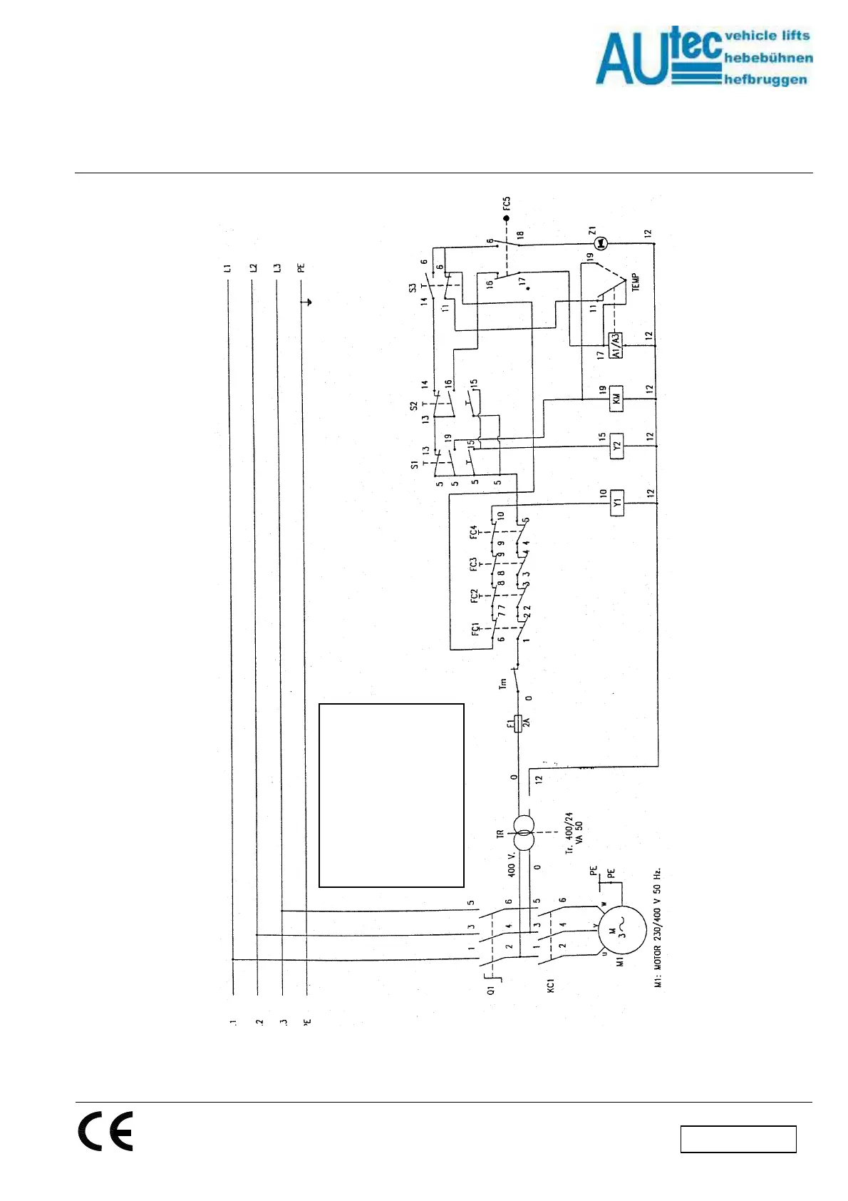
F1 = 2 Amp. Fuse
S1/S2 = Lift / descendlknop
Z1 = Buffe
r
S3 = Locking button
FC1-2-3-4 = Microswitch
FC5 = Microswitch
KM = Contact
Y1 = Hydr. solenoid valve
Y2 = Pneum. solenoid valve
Tem
p
= Time relais unlockin
g
Fig.23
Industrieterrein IJsselveld, Vlasakker 11, 3417 XT MONTFOORT, The Netherlands
Tel:+31 348 477000 Fax:+31 348 475104 E-mail: info@autec.nl
en/TD-AL4044-07