EasyManua.ls Logo

Avdel HP21 - HP21 HydraPac Wiring Diagram

Default Icon
24 pages
Print Icon
To Next Page IconTo Next Page
To Next Page IconTo Next Page
To Previous Page IconTo Previous Page
To Previous Page IconTo Previous Page
Loading...
18
L
1
L
1
L
1
A
1
14
R
1
2 2
7
A
1
96
R
2
R
1
C
R
2
CSol
O
13
24v
M1~
~
~
+
-
96
T
1
T
2
T
3
T
1
L
2
L
2
E
L
2
T
2
S
1
L
3
L
3
T
3
I C
F
TF
T
BR
R
1
220 / 230 v
50 hz
1~
14
3
4
14
5
8
63
1
13
I
7
T O/L
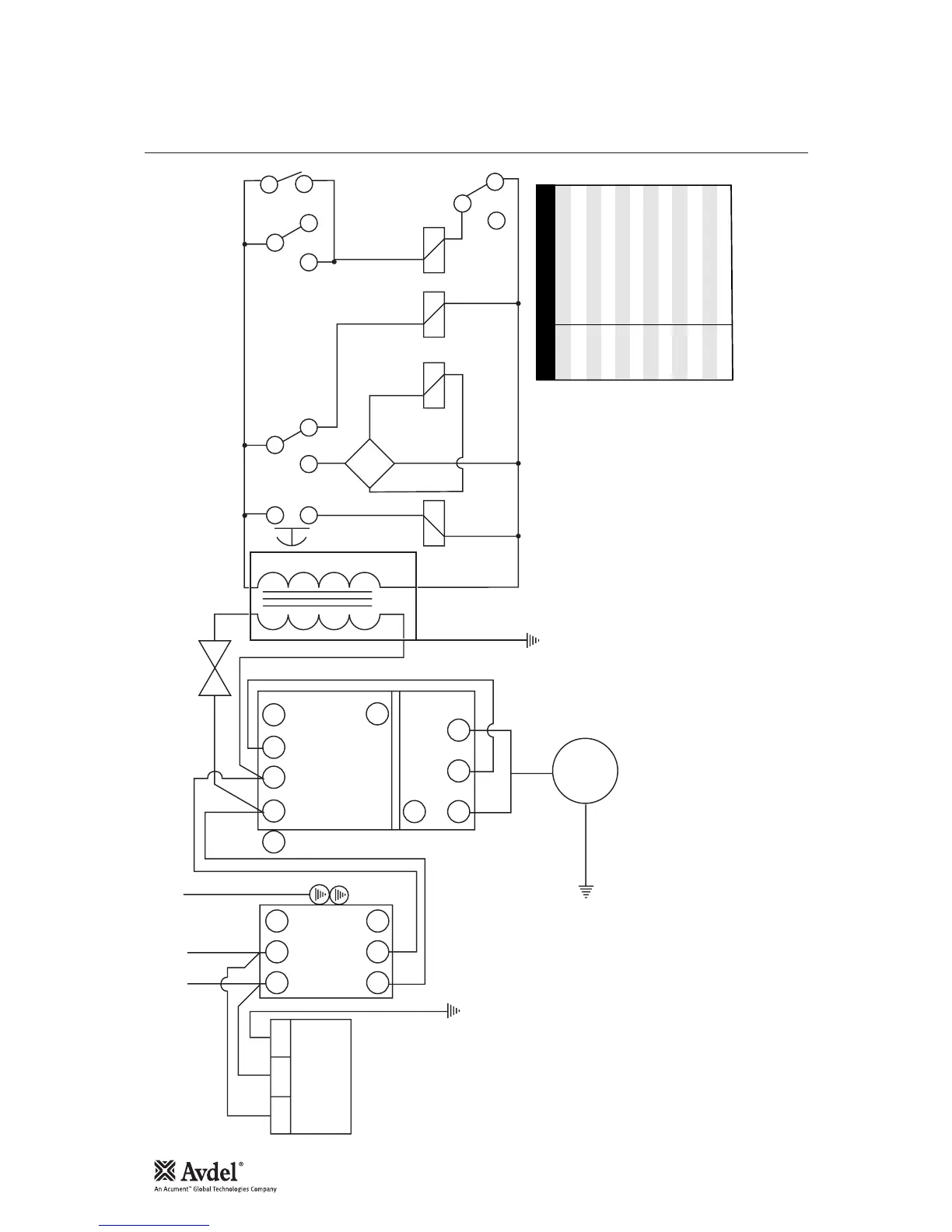
LEGEND
I LOCK OUT ISOLATOR
C CONTACTOR
T.O/L THERMAL OVERLOAD
M1~ SINGLE PHASE MOTOR
T.F. TRANSFORMER
T TRIGGER SWITCH
R
1
RELAY
R
2
TIMER
BR BRIDGE RECTIFIER
F FUSE
S
1
SURGE ARRESTOR
Sol SOLENOID
W i r i n g D i a g r a m f o r H P 2 1 H y d r a P a c

Related product manuals