EasyManua.ls Logo

Avdel HP21 - HP41 HydraPac Wiring Diagram

Default Icon
24 pages
Print Icon
To Next Page IconTo Next Page
To Next Page IconTo Next Page
To Previous Page IconTo Previous Page
To Previous Page IconTo Previous Page
Loading...
19
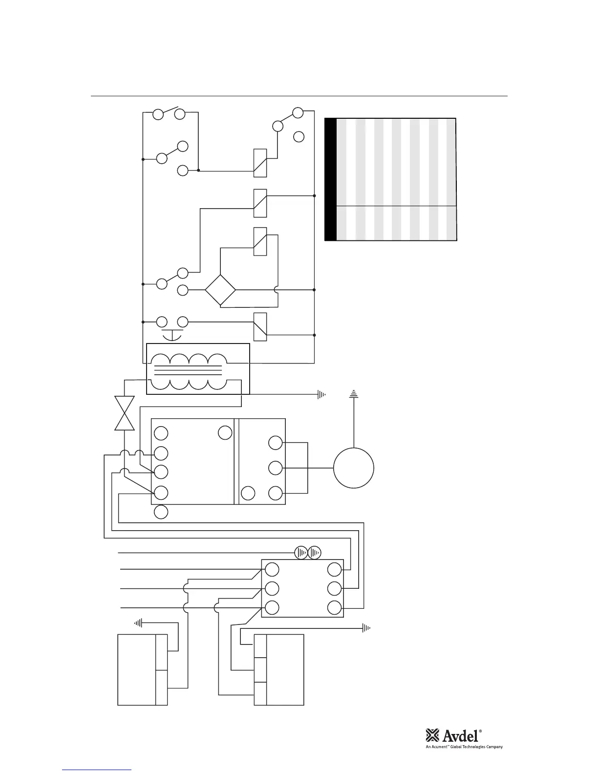
W i r i n g D i a g r a m f o r H P 4 1 H y d r a P a c
L
1
L
1
A
1
14
R
1
2 2
77
A
1
96
R
2
R
1
C
R
2
CSol
O
13
24v
M3~
~
~
+
-
96
T
1
T
2
T
3
T
1
L
2
L
2
T
2
L
3
L
3
T
3
I
C
T O/L
F
TF
T
BR
R
1
400 / 415v
or 525v
50 hz
3~
14
3
4
14
5
8
63
1
13
I
L
1
L
1
L
2
E
E
S
1
S
2
LEGEND
I LOCK OUT ISOLATOR
C CONTACTOR
T.O/L THERMAL OVERLOAD
M3~ THREE PHASE MOTOR
T.F. TRANSFORMER
T TRIGGER SWITCH
R
1
RELAY
R
2
TIMER
BR BRIDGE RECTIFIER
F FUSE
S
1
SURGE ARRESTOR
S
2
SURGE ARRESTOR
Sol SOLENOID

Related product manuals