EasyManua.ls Logo

Aventics CONTROLAIR HE-2 - Exploded Views

Aventics CONTROLAIR HE-2
18 pages
Print Icon
To Next Page IconTo Next Page
To Next Page IconTo Next Page
To Previous Page IconTo Previous Page
To Previous Page IconTo Previous Page
Loading...
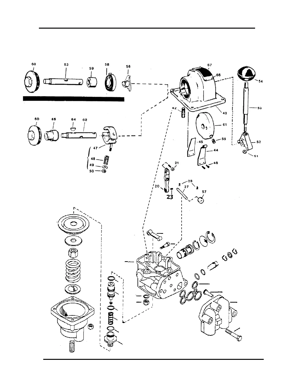
EXPLODED VIEW
Page 8
MODEL HE-2
CONTROLAIR
®
VALVES
HE-2-X CONTROLAIR
®
HE-2-LX CONTROLAIR
®
HE-2-FX CONTROLAIR
®
Stainless
Steel Handle
P/N (R431006914)
P -066890-00000 Pipe Bracket
Portion Complete Ref. 1,2,3)
NOTE:
1. See Page 8 & 9 for part numbers
2. See page 12 for repair kits
3. Matched/Lapped set of Items 34-41 are in Kit, R431003892
(P -055687-00000) Pg 12
Brake Assy.
Part No. R43100130
(-850182-00000)
37
38
30
31
32
33
40
41
39
29
35
34
35
33
25
5
4
1
2
3
18
7
15
16
17
22
19

Related product manuals