EasyManua.ls Logo

Avery Dennison ALS 330 - Page 76

Avery Dennison ALS 330
95 pages
Print Icon
To Next Page IconTo Next Page
To Next Page IconTo Next Page
To Previous Page IconTo Previous Page
To Previous Page IconTo Previous Page
Loading...
Operators Manual
ALS 330/430
Release 8/07 Page 68 Connections and signals
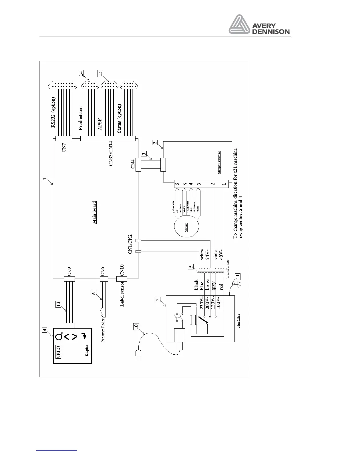
Figure 30 Wiring diagram

Table of Contents

Related product manuals