EasyManua.ls Logo

Avid CNC Benchtop PRO - Page 79

Avid CNC Benchtop PRO
109 pages
Print Icon
To Next Page IconTo Next Page
To Next Page IconTo Next Page
To Previous Page IconTo Previous Page
To Previous Page IconTo Previous Page
Loading...
5.1.6
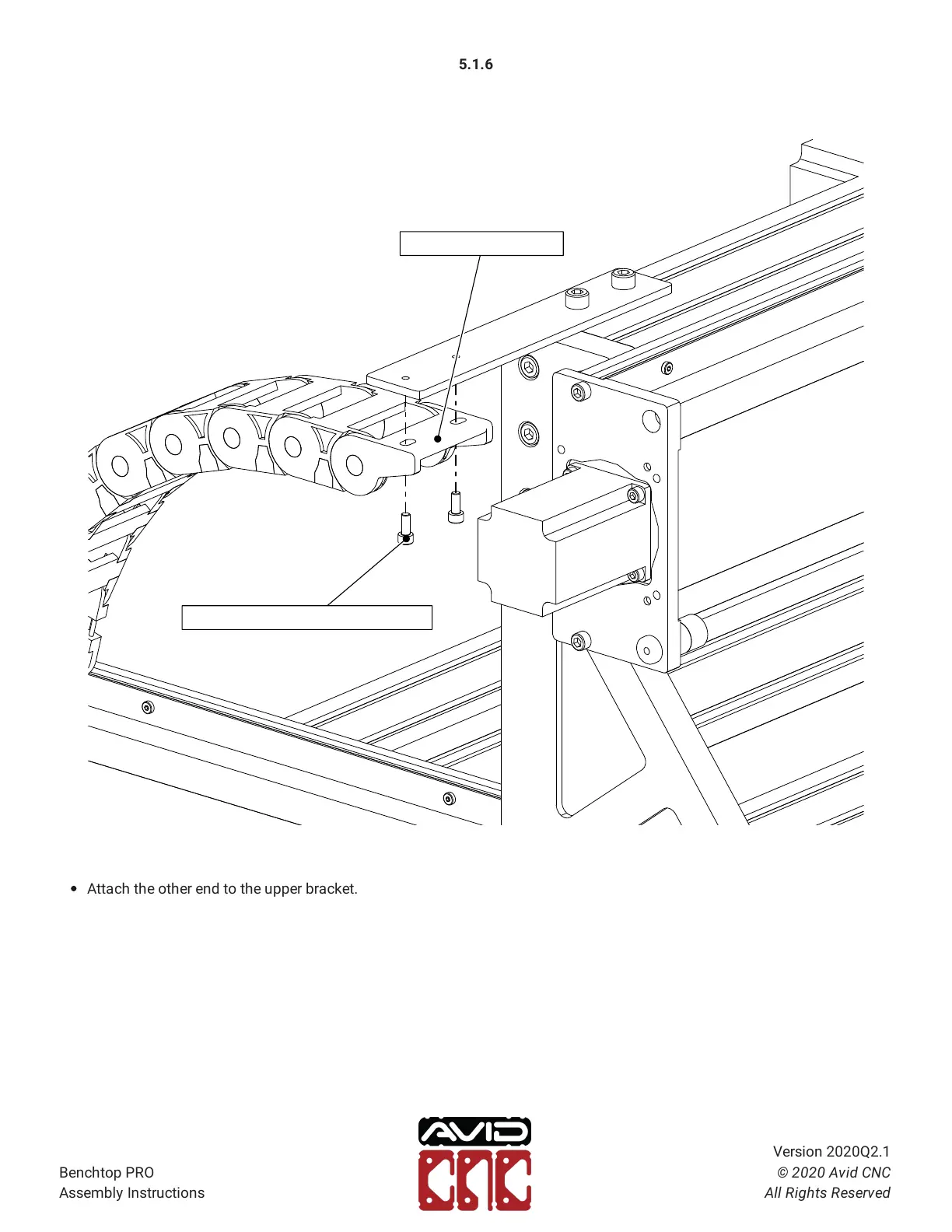
Attach the other end to the upper bracket.
M5 x 12mm Socket Head Cap Screw
Cable Track Free End
Benchtop PRO
Assembly Instructions
Version 2020Q2.1
© 2020 Avid CNC
All Rights Reserved