EasyManua.ls Logo

Axminster Excalibur EX-21 - Page 30

Axminster Excalibur EX-21
36 pages
Print Icon
To Next Page IconTo Next Page
To Next Page IconTo Next Page
To Previous Page IconTo Previous Page
To Previous Page IconTo Previous Page
Loading...
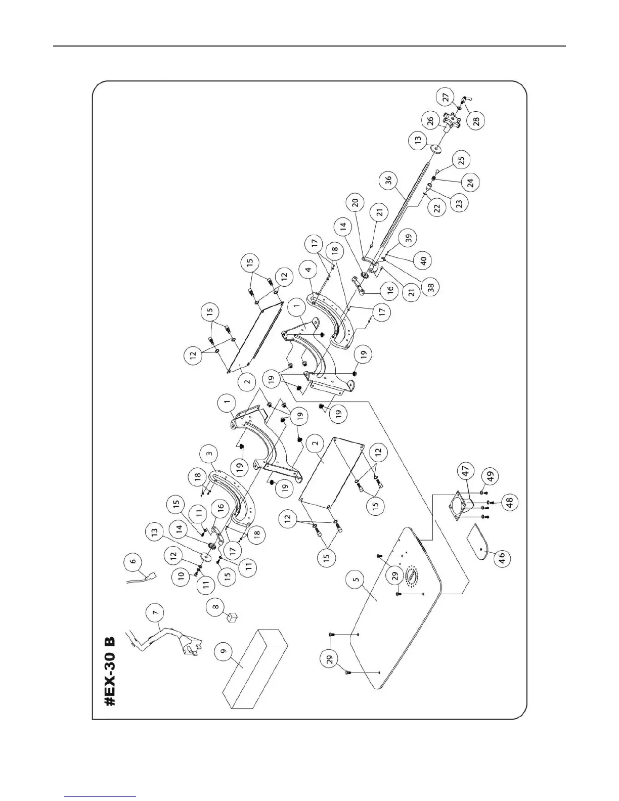
EX-30 Parts Breakdown (B)
30

Related product manuals