EasyManua.ls Logo

Axminster Excalibur EX-21 - Wiring Diagram

Axminster Excalibur EX-21
36 pages
Print Icon
To Next Page IconTo Next Page
To Next Page IconTo Next Page
To Previous Page IconTo Previous Page
To Previous Page IconTo Previous Page
Loading...
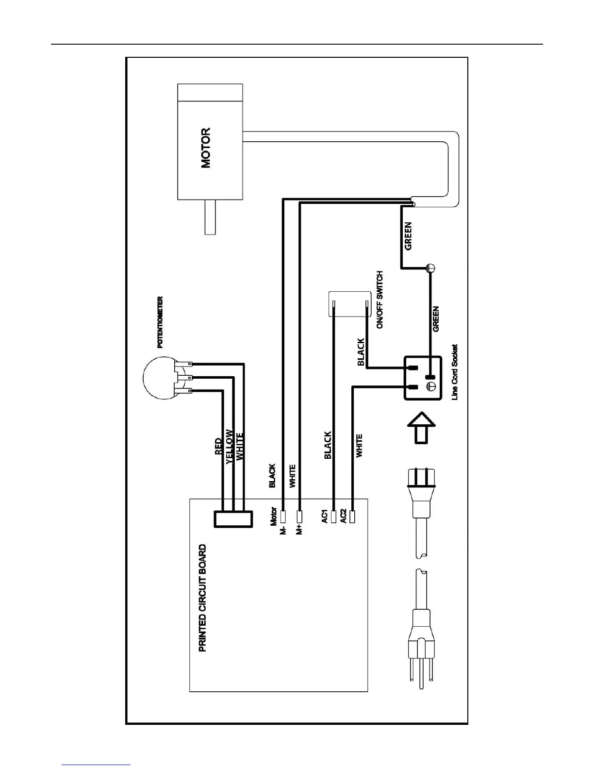
Wiring Diagram
34

Related product manuals