EasyManua.ls Logo

AXTON C509 - Page 16

AXTON C509
Print Icon
To Next Page IconTo Next Page
To Next Page IconTo Next Page
To Previous Page IconTo Previous Page
To Previous Page IconTo Previous Page
Loading...
16
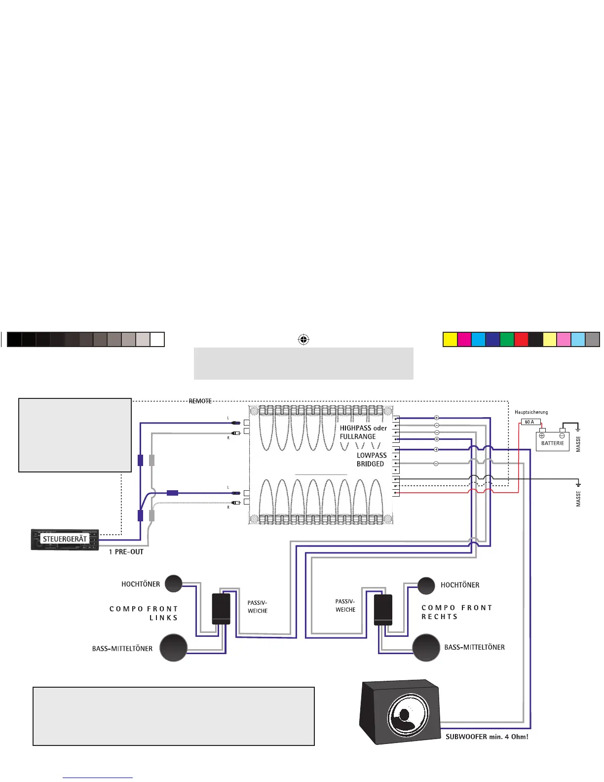
ANSCHLUSS-VARIANTE 4 C509
HINWEIS!
Min. Lautsprecher-Impedanz für alle Kanäle min. 2 Ohm!
Auch bei Mono-Brücken-Betrieb müßen beide Eingänge (L&R) belegt sein
(gegebenenfalls Y-Adapter verwenden)!
Eine Hauptsicherung mit entsprechendem Wert (nicht im Lieferunfang enthalten)
muß innerhalb 30 cm von der Batterie eingesetzt werden!
1 Pre-Out 3-Kanal-Betrieb
HINWEIS!
• Min. Lautsprecher-Impedanz
für alle Kanäle 2 Ohm!
• Eine Hauptsicherung mit ent-
sprechendem Wert (nicht im
Lieferumfang enthalten) muß
innerhalb 30 cm von der
Batterie eingesetzt werden!
F
C509
C109-509 Manual DEF.indd 16
C109-509 Manual DEF.indd 16
15.02.2005 15:30:27 Uhr
15.02.2005 15:30:27 Uhr

Related product manuals