EasyManua.ls Logo

AXTON C509 - Page 36

AXTON C509
Print Icon
To Next Page IconTo Next Page
To Next Page IconTo Next Page
To Previous Page IconTo Previous Page
To Previous Page IconTo Previous Page
Loading...
36
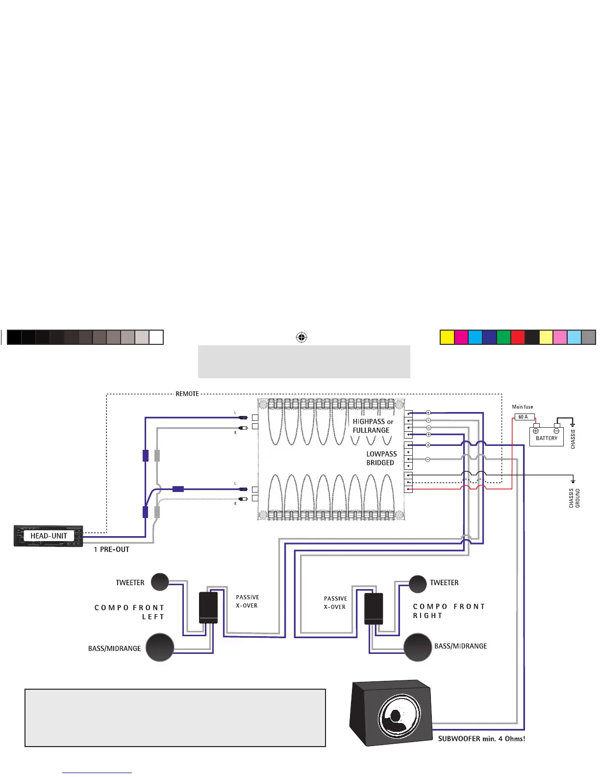
CONNECTING DIAGRAM 4 C509
Please note!
Min. speaker impedance all channels min. 2 Ohms!
For mono operation/bridged output both inputs (L&R) must still be used
(if necessary use Y-adaptors)!
A main fuse (not included) of appropriate amperage must be installed within 30 cm of
the car battery!
1 Pre-Out 3-Channel Operation
C509
C109-509 Manual DEF.indd 36
C109-509 Manual DEF.indd 36
15.02.2005 15:30:33 Uhr
15.02.2005 15:30:33 Uhr

Related product manuals