EasyManua.ls Logo

B2 Audio rage 1500 - Power; Speaker Connections

B2 Audio rage 1500
10 pages
Print Icon
To Next Page IconTo Next Page
To Next Page IconTo Next Page
To Previous Page IconTo Previous Page
To Previous Page IconTo Previous Page
Loading...
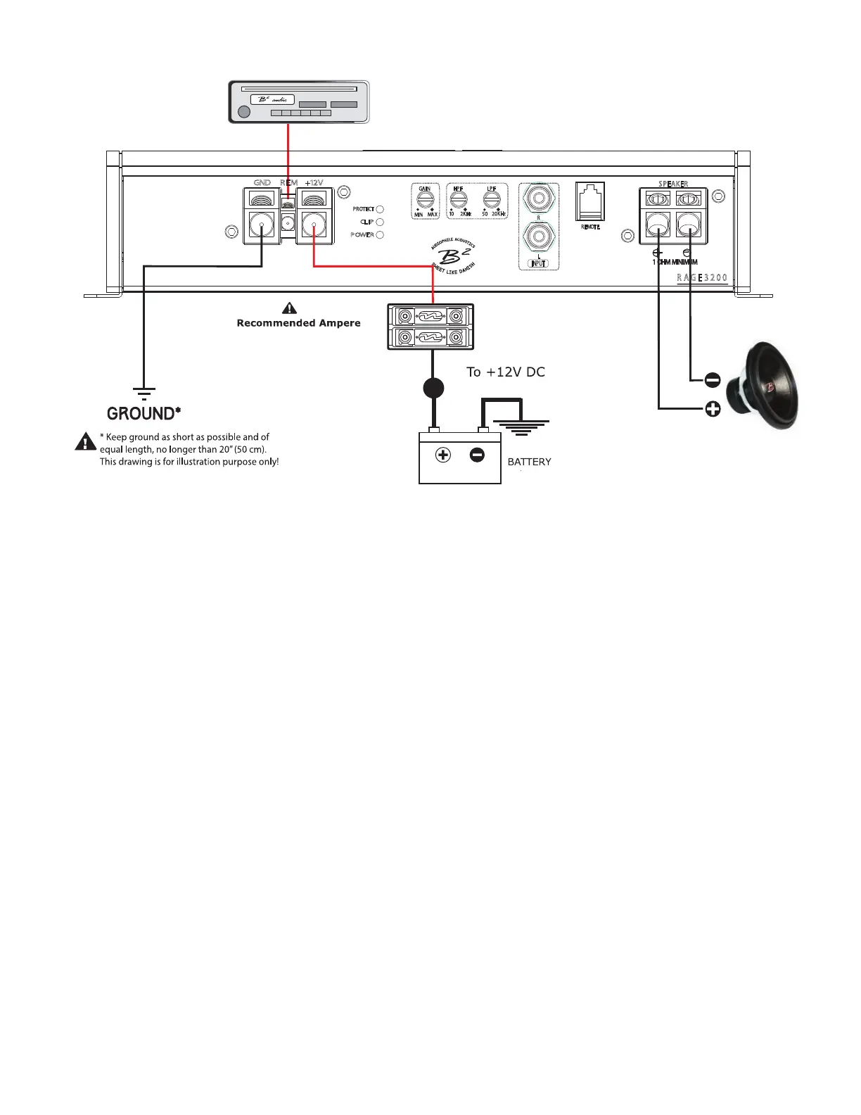
Power / speaker connection
Rage 1500/3200
speaker output
2 pin layout speaker terminal. Do not attempt to bridge
externally. The minimum load is 1 Ω.
Any connection below 1 Ω is not warranted. The amp can’t be
strapped or bridged in any way either.
This circuit design will have a high output voltage on BOTH
speaker terminals, even after the amplier has been shut of
for a while. For any connections or changes in conguration,
do measure if voltage is still present prior to doing so. This
will avoid potential shorted circuits.
GND
REM
+12V
POWER
PROTECT
CLIP
RE MOT E
+
-
S PEAKER
MIN
MA X
G
AIN
2KHz
2
0KHz
HPF LPF
10
5
0
INPUT
R
L
R A G E 3 2 0 0
1 OHM MINIMUM
100 A (External fuse) for
RAGE 1500.
250 A (External fuse) for
RAGE 3200
6

Related product manuals