EasyManua.ls Logo

Baicells Nova430 - Connect Cables

Baicells Nova430
13 pages
Print Icon
To Previous Page IconTo Previous Page
To Previous Page IconTo Previous Page
Loading...
12
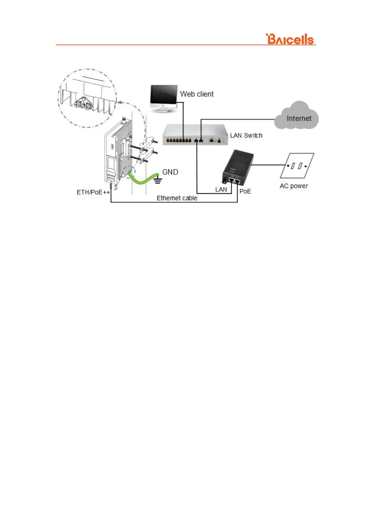
Connect Cables 2.7
NOTE: The GPS antenna connector and the RF antenna connector must have weatherproof
protection, refer to 2.3 Weatherproofing”.
Power On 2.8
Power on the eNB, and wait a few minutes while the eNB boots up. Per the previous
Table 1-1 and Table 1-2 in 1.3 Appearance”, check that the LED indicators are lighting
as expected.

Related product manuals