EasyManua.ls Logo

Baldor TS400 - Page 44

Baldor TS400
90 pages
Print Icon
To Next Page IconTo Next Page
To Next Page IconTo Next Page
To Previous Page IconTo Previous Page
To Previous Page IconTo Previous Page
Loading...
4-22 Operation
MN2417
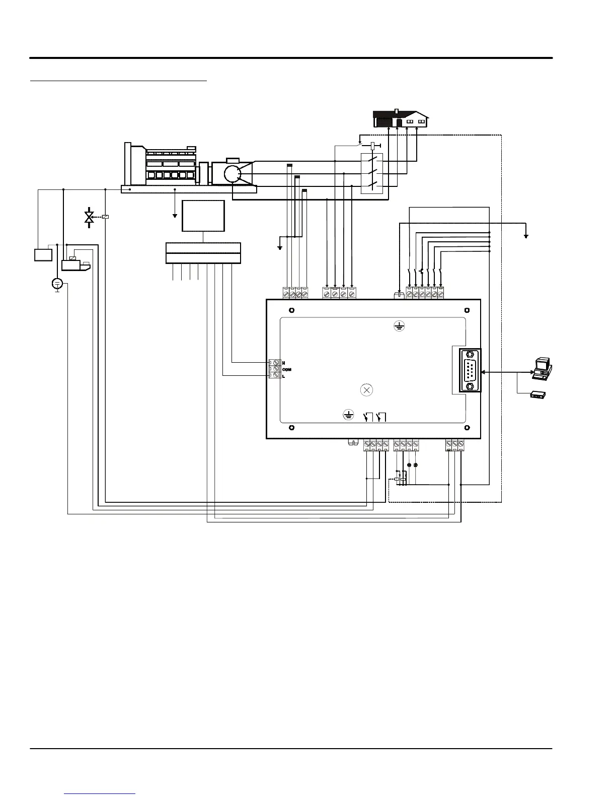
Digital Engine Controller Description EM0046A21 (MRS17) Continued
Figure 4-10 Controller Connection Diagram
LOAD
EMERGENCY STOP
ACCESS LOCK
CONTROL
SIGNALS
REMOTE S/S
DI ESE L /GASENGIN E
START ER
BATTERY
+
FUEL SOLENOID
GENERATOR
G
+24 V
BINARY OUTPUTS
GENC.B.
STARTER
L1
L2
L3
N
Generator C.B.
PRESTART
PE
RS232C
Int erface
ModemorPC
C O NT RO L
SI GNALS
ALARM
RE ADYTOL OA D
D+
CHRG
ALT ER NATOR
BINARY INP UTS
RPM
RPM IN
COM
BO3
BO4
BO5
BO6
BO1
(START)
BO2
(FUEL)
AI1 (OIL)
AI2 (TEMP)
RPM GND
PO W ER
836VDC
+
RS232
GENER ATOR
V O LTA G E
3 x 230 / 400 V
N
L1
L2
L3
BI1
BI2
BI3
BI4
BI5
BI6
L3l
L2l
L1l
LB 1
BI NA RY
OUTPUTS
D+
BOOT JUMPER
CO M
AI3 (FUEL)
EXTENSIONMODULE
EDC
87654321
FUELSOLENOID
GENERATOR
CURRENT
0 5A
NOTUSED
SPRINKLER
REMOTE OFF
8 Pole Connector
ANALOG INPUTS

Table of Contents

Related product manuals