EasyManua.ls Logo

Baldor TS60 - Page 67

Baldor TS60
90 pages
Print Icon
To Next Page IconTo Next Page
To Next Page IconTo Next Page
To Previous Page IconTo Previous Page
To Previous Page IconTo Previous Page
Loading...
Wiring Diagrams A-19
MN2417
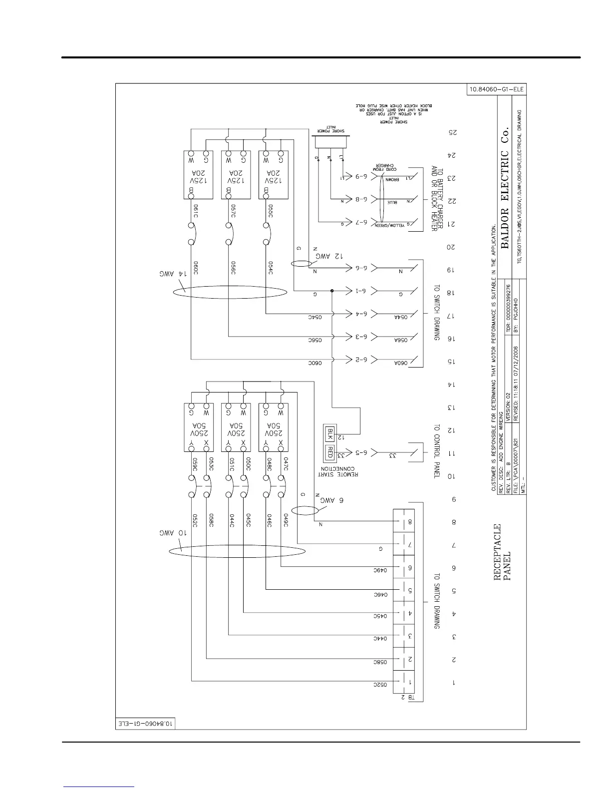
Figure A-18 TS60 Connection Diagram

Table of Contents