EasyManua.ls Logo

Balflex P20 - Spare Parts List

Balflex P20
25 pages
Print Icon
To Next Page IconTo Next Page
To Next Page IconTo Next Page
To Previous Page IconTo Previous Page
To Previous Page IconTo Previous Page
Loading...
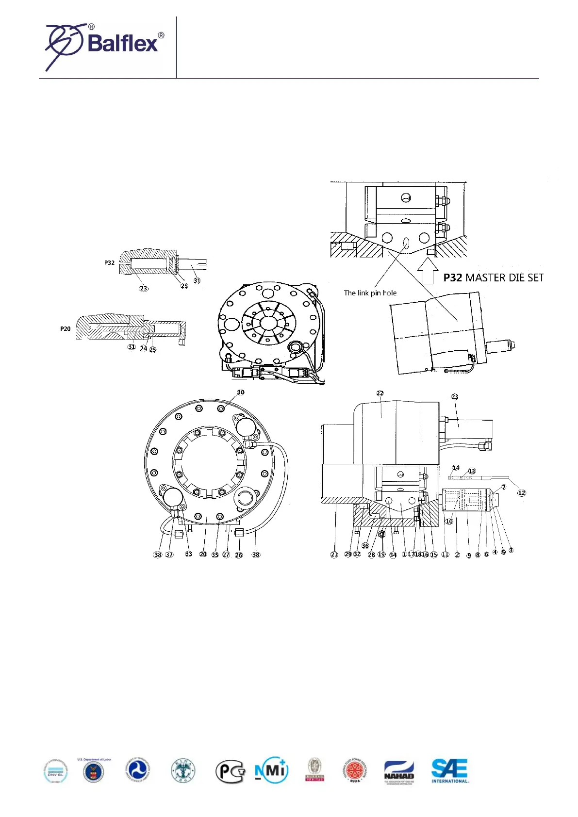
P20 / P32 OPERATIONS MANUAL
Page | 19
SPARE PARTS LIST

Related product manuals