EasyManua.ls Logo

Barnstead 47900 - Page 55

Default Icon
60 pages
Print Icon
To Next Page IconTo Next Page
To Next Page IconTo Next Page
To Previous Page IconTo Previous Page
To Previous Page IconTo Previous Page
Loading...
55
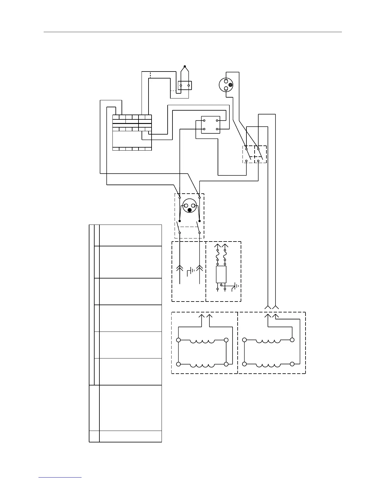
WIRING D
IAGRAMS
SINGLE SETPOINT CONTROL
V-1B
TC1
RED
YELLOW
TB1
AB
V+
AA
N
L
+
-
CN1
1A
DESCRIPTION
REF.
NO.
CN1 CONTROL
DIAGRAM COMPONENT LIST
MODEL NO. AND OUR PART NO.(s)
CN71X73
F48010
F48010-26 F48014
F48015, F48015-60
DS1 PILOT LIGHT PLX82 PLX82 PLX76 PLX76
HEATING ELEMENTH1 EL480X1A EL480X2A
RY1 RELAY, SOLID STATE RYX34
SWITCH, POWER SWX144S1 SWX144 SWX143 SWX143
S2 SWITCH, DOOR SWX163 SWX163 SWX163 SWX163
S3 SWITCH, DOOR SWX163 SWX163 SWX163 SWX163
TB1 TERMINAL BLOCK TRX136
TC1 THERMOCOUPLE TC1165X1
TRX136 TRX136 TRX136
S1
12
- 4 3 +
RY1
DS1
S2
TC1165X1 TC1165X1 TC1165X1
HEATING ELEMENTH2
H1 H2
T2 T3
100/120V
T2 T3
H1 H2
240V
T4T1
T1 T4
L2
L1
GND
F48010-33 ONLY
F48010-33
TC1165X1
PLX82
SWX144
SWX163
SWX163
TRX136
FL1 FILTER CAX98
S3
F1 FUSE FZX30
F2 FUSE FZX30
FL1
GND
L2
L1
F1
F2
CN71X73 CN71X96 CN71X73 CN71X73
RYX34 RYX34 RYX34 RYX34
F48018
TC1165X1
TRX136
SWX163
RYX34
CN71X73
SWX163
SWX144
EL480X2A
PLX82
EL480X1A EL1205X1 EL480X1A
EL480X1A EL480X1A EL1205X1 EL480X2A EL480X1A
EL480X2A

Related product manuals