EasyManua.ls Logo

Barrett 940 - Front Panel Schematic

Default Icon
164 pages
Print Icon
To Next Page IconTo Next Page
To Next Page IconTo Next Page
To Previous Page IconTo Previous Page
To Previous Page IconTo Previous Page
Loading...
BARRETT 900 SERIES TRANSCEIVERS
PAGE 100
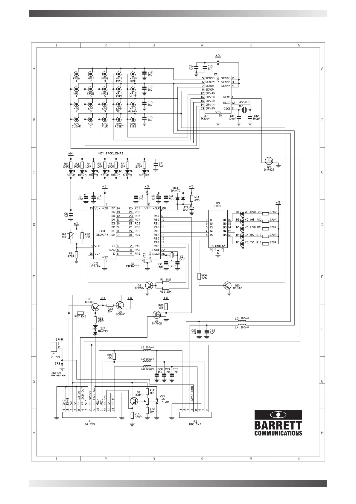
Front Panel Schematic
900 Front Panel Schematic
Drawing No: 900516A1

Table of Contents

Related product manuals