EasyManua.ls Logo

Barrett 940 - Connector Transition Schematic

Default Icon
164 pages
Print Icon
To Next Page IconTo Next Page
To Next Page IconTo Next Page
To Previous Page IconTo Previous Page
To Previous Page IconTo Previous Page
Loading...
BARRETT 900 SERIES TRANSCEIVERS
PAGE 140
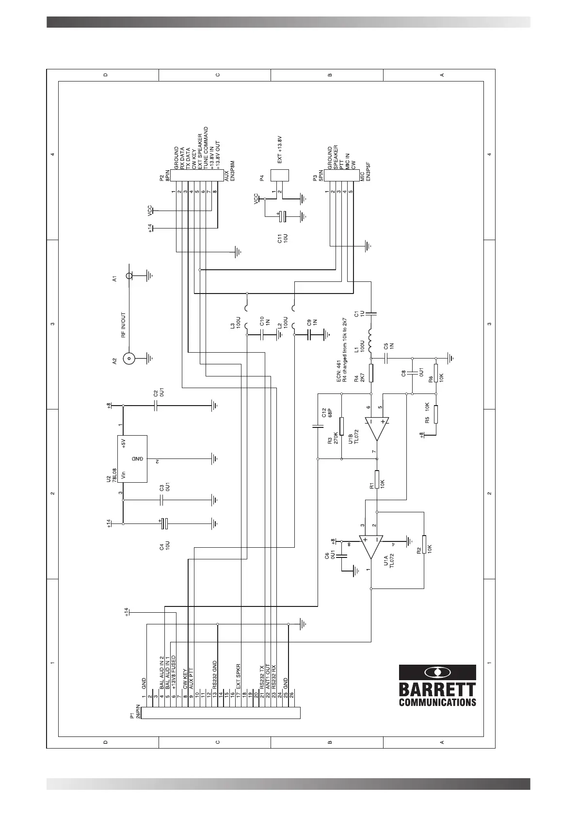
940 Connector Transition Schematic
940 Connector Transition
Schematic
940D33A3.S01

Table of Contents

Related product manuals