EasyManua.ls Logo

Bartell B446 - Electric Power Trowel Wiring Diagram

Bartell B446
46 pages
Print Icon
To Next Page IconTo Next Page
To Next Page IconTo Next Page
To Previous Page IconTo Previous Page
To Previous Page IconTo Previous Page
Loading...
375 ANNAGEM BLVD., MISSISSAUGA, ONTARIO, CANADA, L5T 3A7, 905-364-4200 FAX 905-364-4201
200 COMMERCE DRIVE, FREEHOLD, NEW JERSEY, USA, 07728, 732-566-6400 FAX 732-566-5444
CREATED: 07/04
REVISED: 08/14
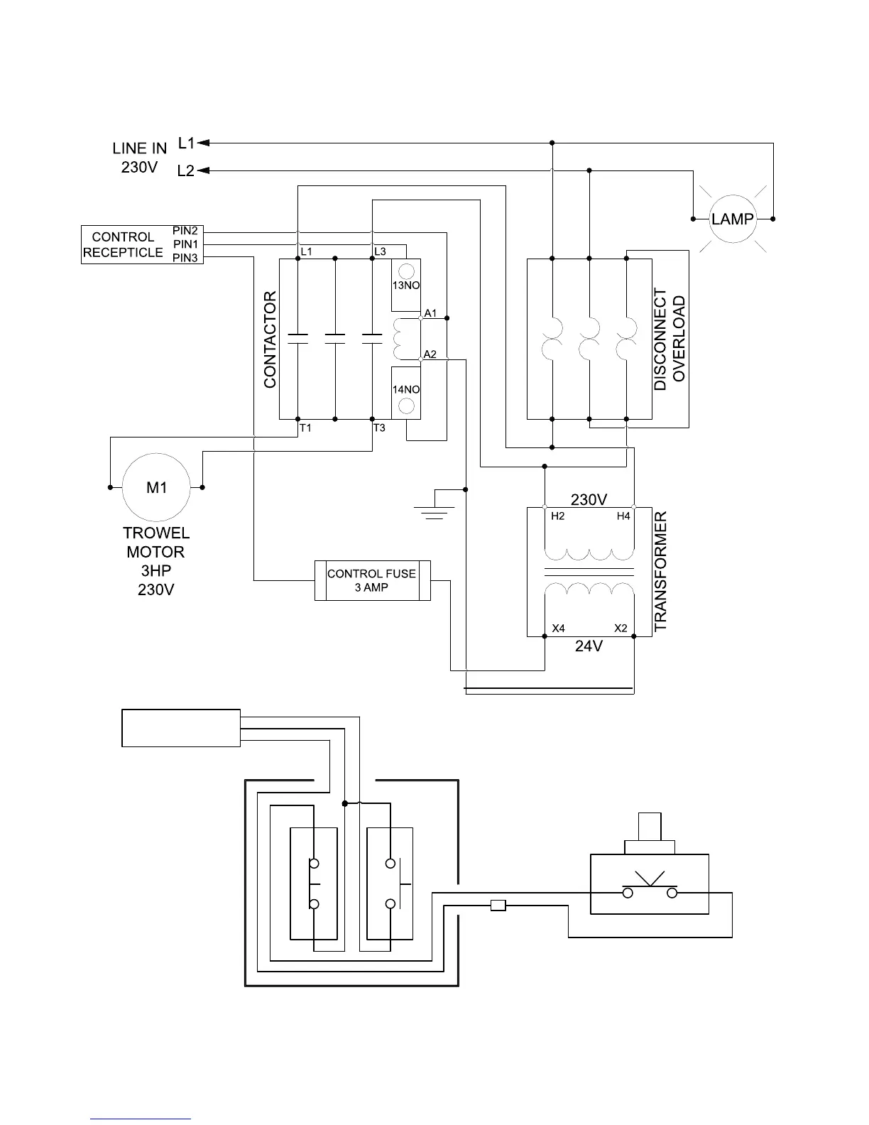
WALK BEHIND POWER TROWEL INSTRUCTION MANUAL
ELECTRIC POWER TROWEL WIRING DIAGRAM:
16
375 ANNAGEM BLVD., MISSISSAUGA, ONTARIO, CANADA L5T 3A7, 905-364-4200 FAX 905-364-4201
CREATED: 07/04
REVISED: 05/10
CONTROL BOX
PIN2
PIN1
PIN3
CONTROL
PLUG
SAFETY SWITCH
STOP
START
1 3
2 4
COM
NO
DEADMANOFF
G
W
BL
K
W
BL
K
BR
BL
18

Other manuals for Bartell B446

Related product manuals