EasyManua.ls Logo

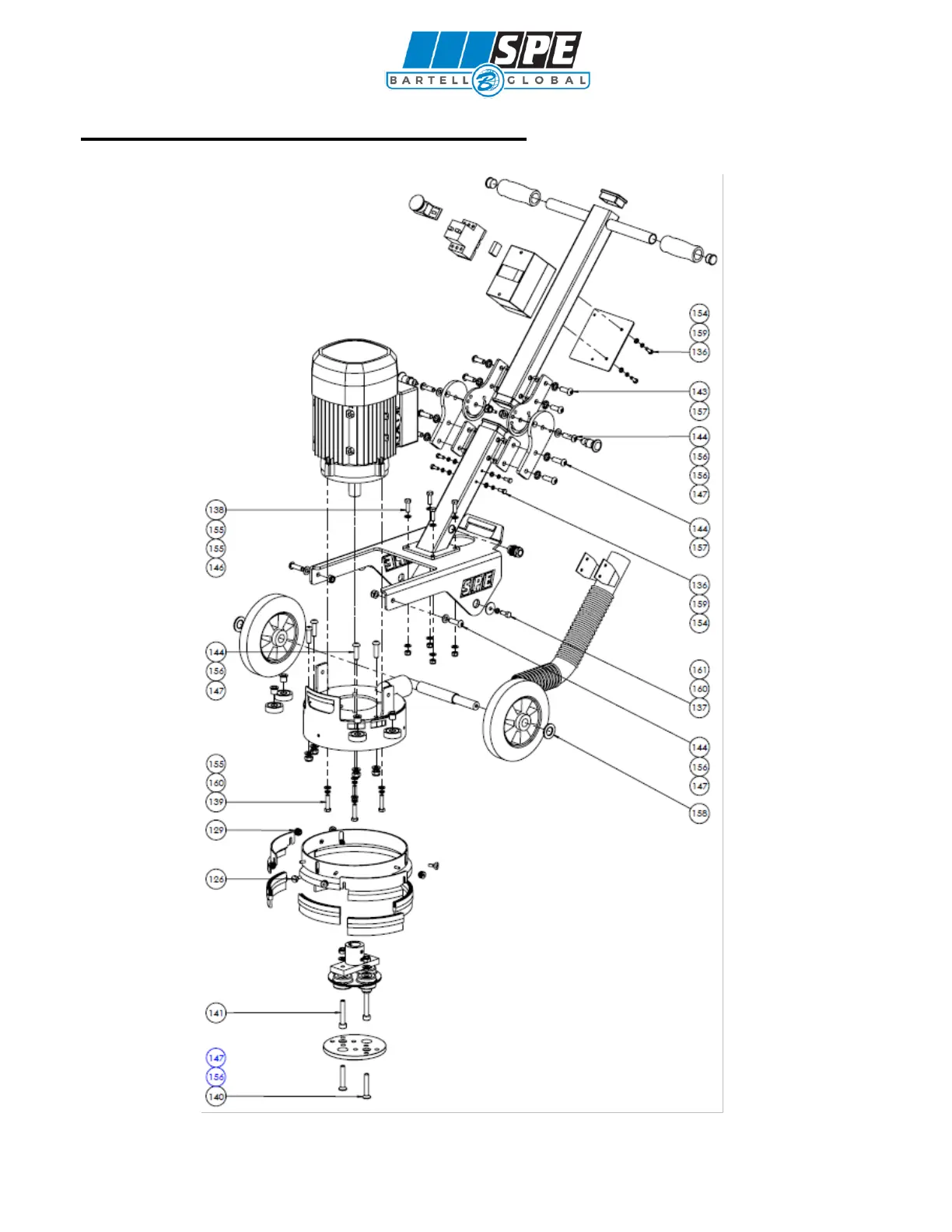
Bartell SPE DFG280 - PARTS LIST 2 - DFG280 FASTENERS

Bartell SPE DFG280
24 pages
Print Icon
To Next Page IconTo Next Page
To Next Page IconTo Next Page
To Previous Page IconTo Previous Page
To Previous Page IconTo Previous Page
Loading...
DFG280 FLOOR GRINDER
OWNER’S MANUAL AND PARTS BOOK
15
OIPB S30004
PARTS LIST 2 DFG280 FASTENERS

Related product manuals