EasyManua.ls Logo

Baumatic BDWS60SS - Preparing and Connecting the Furniture Door

Baumatic BDWS60SS
48 pages
Print Icon
To Next Page IconTo Next Page
To Next Page IconTo Next Page
To Previous Page IconTo Previous Page
To Previous Page IconTo Previous Page
Loading...
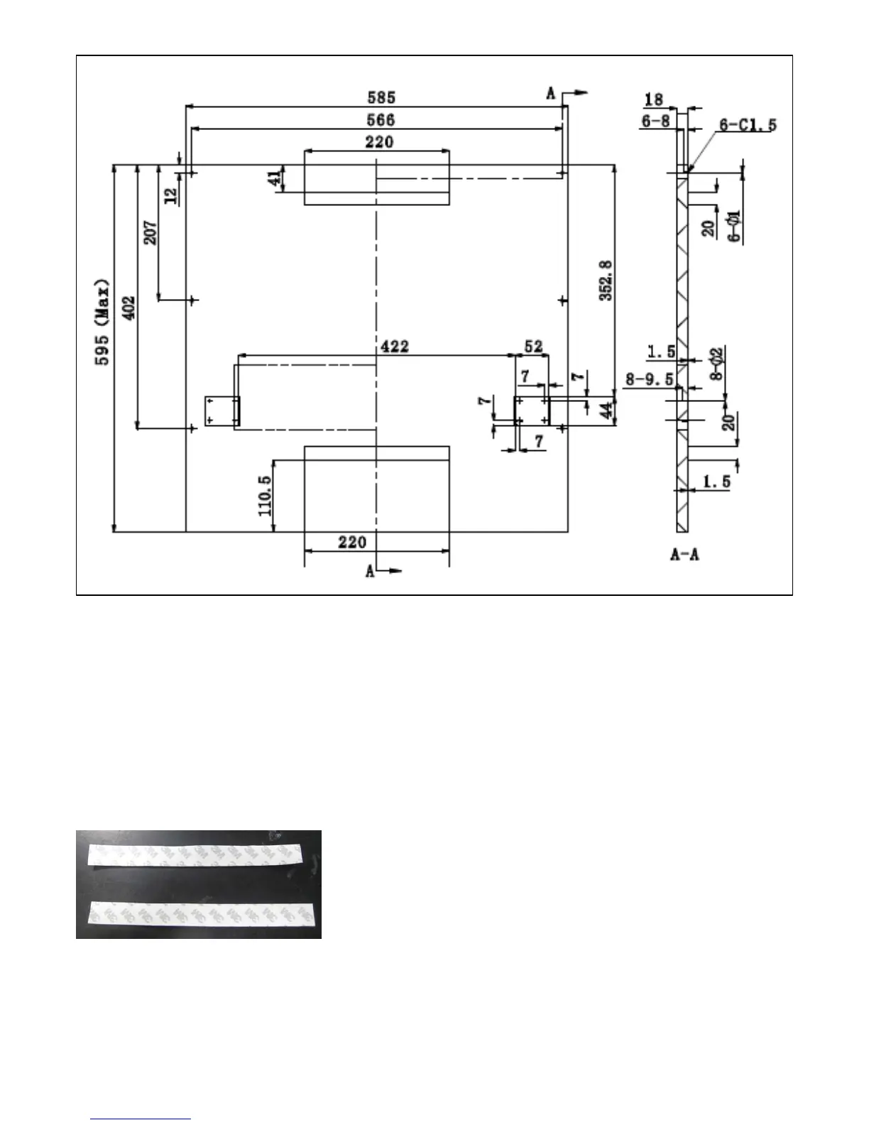
Preparing and connecting the furniture door
o IMPORTANT: The furniture door is not supplied with the appliance.
You should purchase one to match with the rest of your kitchen
cabinets.
o The maximum weight of the furniture door should be 5.5
kilograms. The maximum thickness of the furniture door
should be 15 mm.
o Use the double-sided fastening strips to position the décor door
onto the appliance door.
o Separate the fastening strips, ensuring that
you do not mix up the two sets, otherwise
you could have two “male” or two “female”
strips together and they will not stick
together.
o Remove the paper back off the strips and stick them to the inner
surface of the décor door. The bottom strip should be attached
11cm from the bottom and the top strip 4cm from the top of the
décor door.
34

Related product manuals