EasyManua.ls Logo

Baumatic PCC1220SS - Gas Adjustment & Conversion; Conversion to LPG

Baumatic PCC1220SS
44 pages
Print Icon
To Next Page IconTo Next Page
To Next Page IconTo Next Page
To Previous Page IconTo Previous Page
To Previous Page IconTo Previous Page
Loading...
Gas adjustment (Conversion to LPG)
All work must be carried out by a CORGI registered
engineer.
IMPORTANT: Always isolate the cooker from the electricity
supply before changing the injectors and/or adjusting the
minimum flow of the burners.
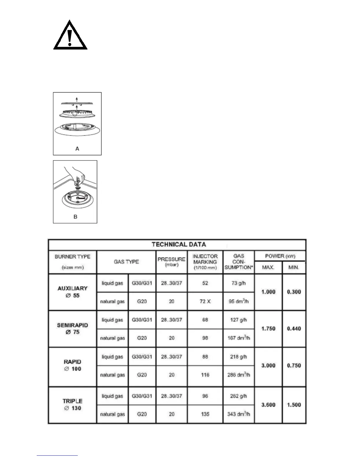
o Remove the pan-stands, burners and flame
spreaders (A).
35
ow).
o Unscrew the injector (B) and replace it with
the stipulated injector for the new gas supply
(see table bel

Table of Contents

Other manuals for Baumatic PCC1220SS

Related product manuals