EasyManua.ls Logo

Baumuller BUM 63 - Page 27

Baumuller BUM 63
74 pages
Print Icon
To Next Page IconTo Next Page
To Next Page IconTo Next Page
To Previous Page IconTo Previous Page
To Previous Page IconTo Previous Page
Loading...
Installation
Mono Power Unit BUM 62, 63, 64 27
Baumüller Nürnberg GmbH 5.94005.12
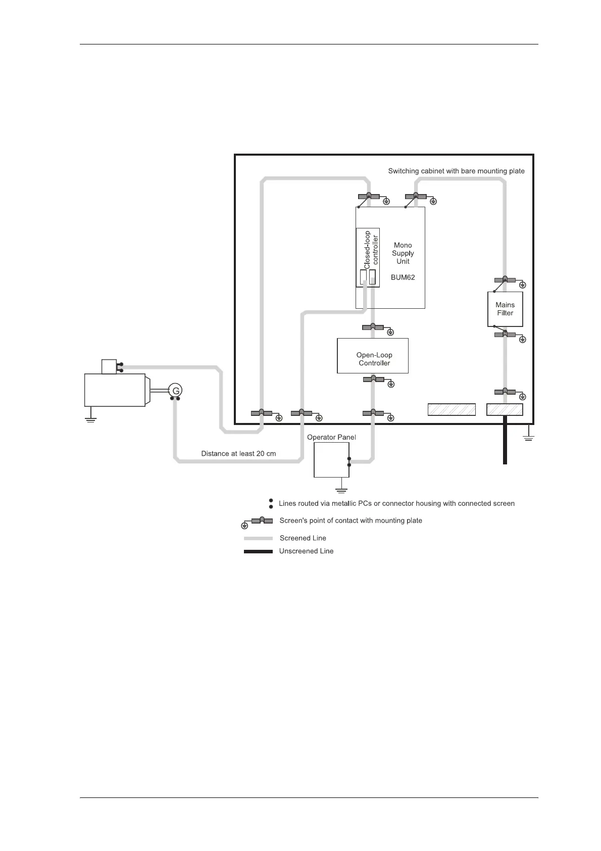
Cabling
y To suppress radiated noise outside the converter, you should screen all the connected cabling.
Also observe the topics in the section entitled "Screening".

Related product manuals