EasyManua.ls Logo

Baumuller BUM 63 - Page 28

Baumuller BUM 63
74 pages
Print Icon
To Next Page IconTo Next Page
To Next Page IconTo Next Page
To Previous Page IconTo Previous Page
To Previous Page IconTo Previous Page
Loading...
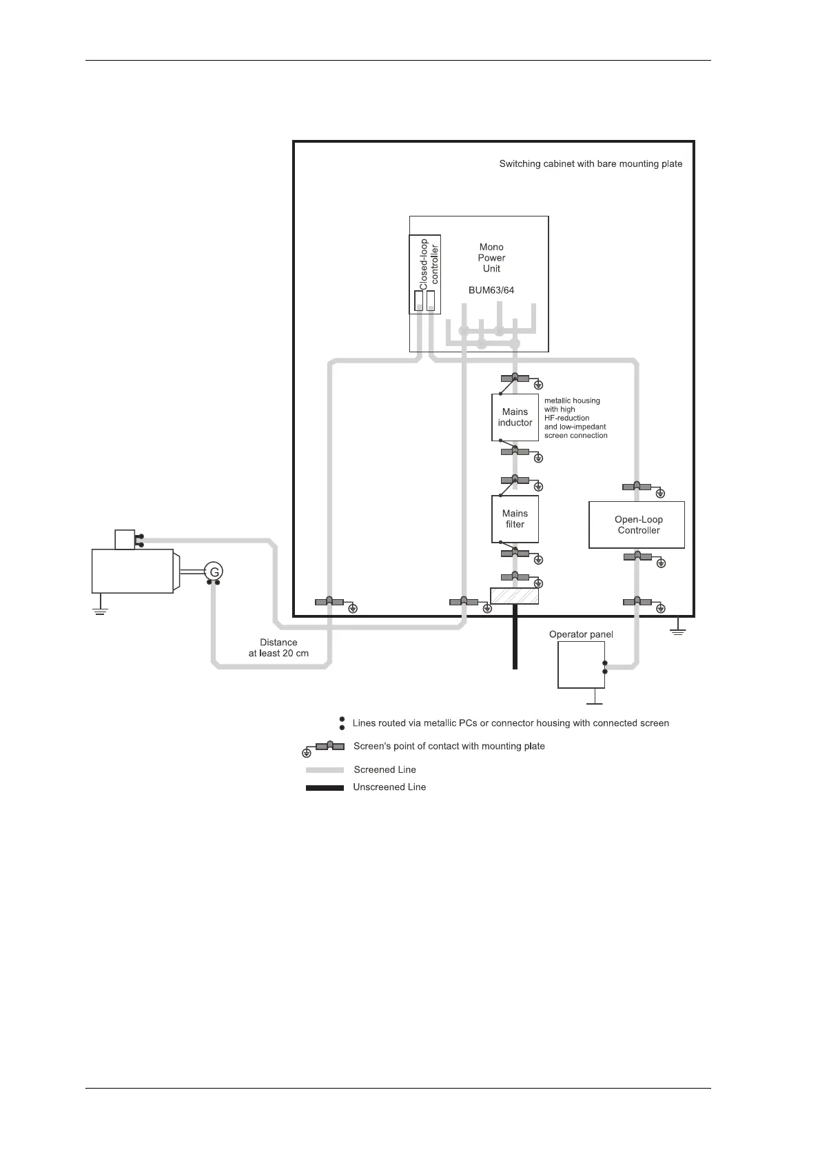
Installation
28 Mono Power Unit BUM 62, 63, 64
5.94005.12 Baumüller Nürnberg GmbH

Related product manuals