EasyManua.ls Logo

Bayliner 249 - Page 80

Bayliner 249
88 pages
Print Icon
To Next Page IconTo Next Page
To Next Page IconTo Next Page
To Previous Page IconTo Previous Page
To Previous Page IconTo Previous Page
Loading...
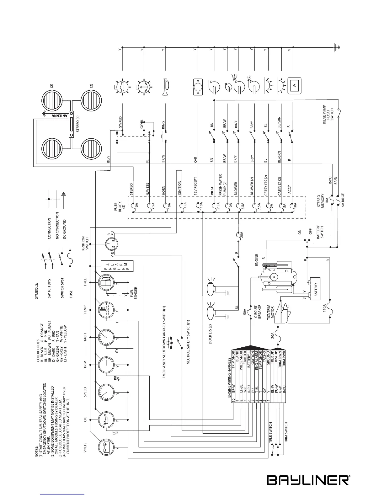
Chapter 11: Electrical System 197, 219, & 249 Owner’s Manual
Supplement
74
219 & 249

Table of Contents

Other manuals for Bayliner 249

Related product manuals