EasyManua.ls Logo

Bayliner 249 - Wiring Diagrams

Bayliner 249
88 pages
Print Icon
To Next Page IconTo Next Page
To Next Page IconTo Next Page
To Previous Page IconTo Previous Page
To Previous Page IconTo Previous Page
Loading...
197, 219, & 249 Owner’s Manual
Supplement
Chapter 11: Electrical System
73
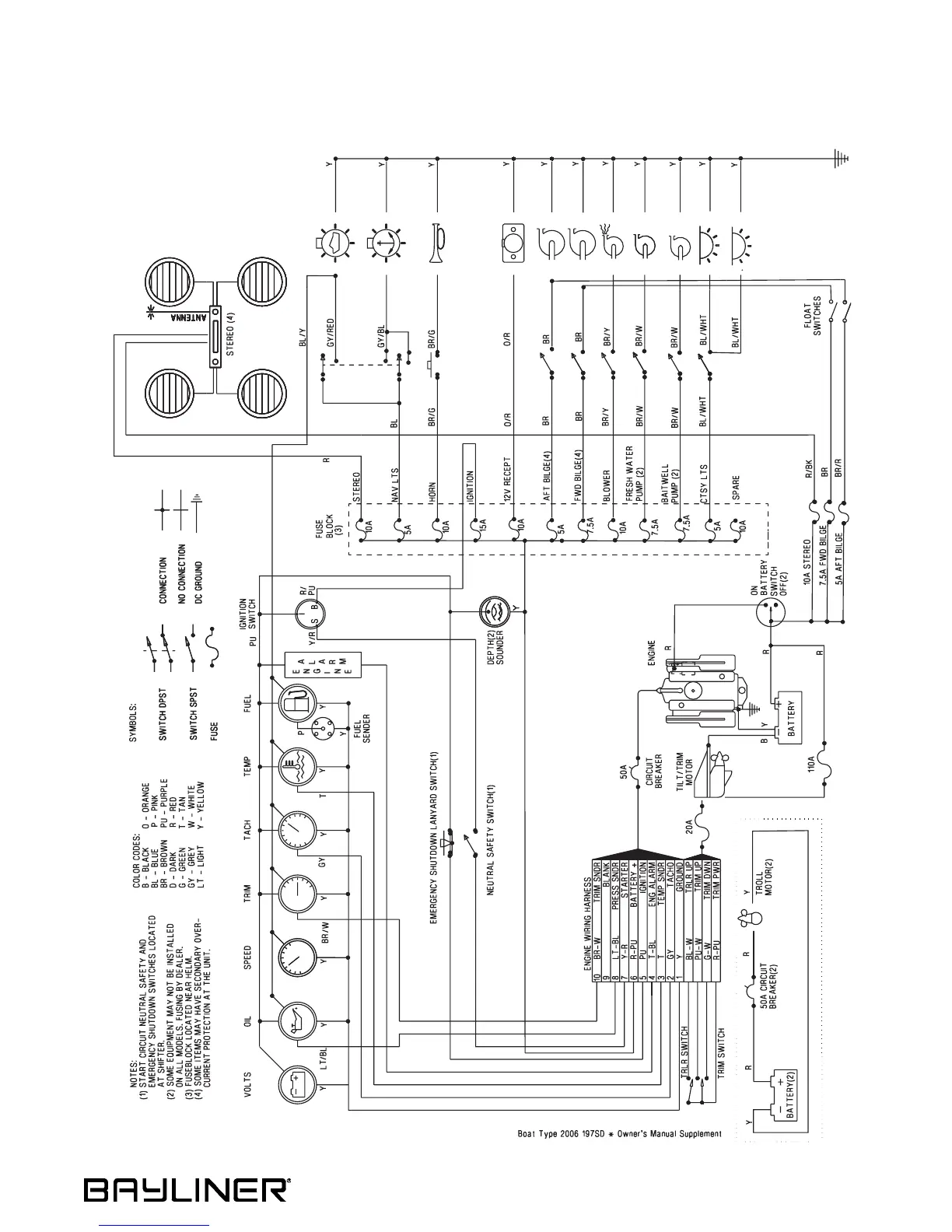
Wiring Diagrams
197

Table of Contents

Other manuals for Bayliner 249

Related product manuals