EasyManua.ls Logo

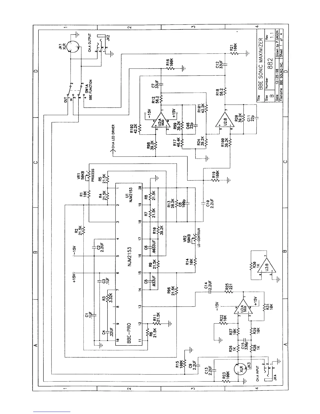
BBE Sonic Maximizer BBE 882 - Schematic Diagrams; Main Circuitry (Sheet 1)

BBE Sonic Maximizer BBE 882
20 pages
Print Icon
To Next Page IconTo Next Page
To Next Page IconTo Next Page
To Previous Page IconTo Previous Page
To Previous Page IconTo Previous Page
Loading...
13

Related product manuals