EasyManua.ls Logo

BBK DV214SI(RU) - Chapter Nine BOM List

BBK DV214SI(RU)
51 pages
Print Icon
To Next Page IconTo Next Page
To Next Page IconTo Next Page
To Previous Page IconTo Previous Page
To Previous Page IconTo Previous Page
Loading...
- 35 -
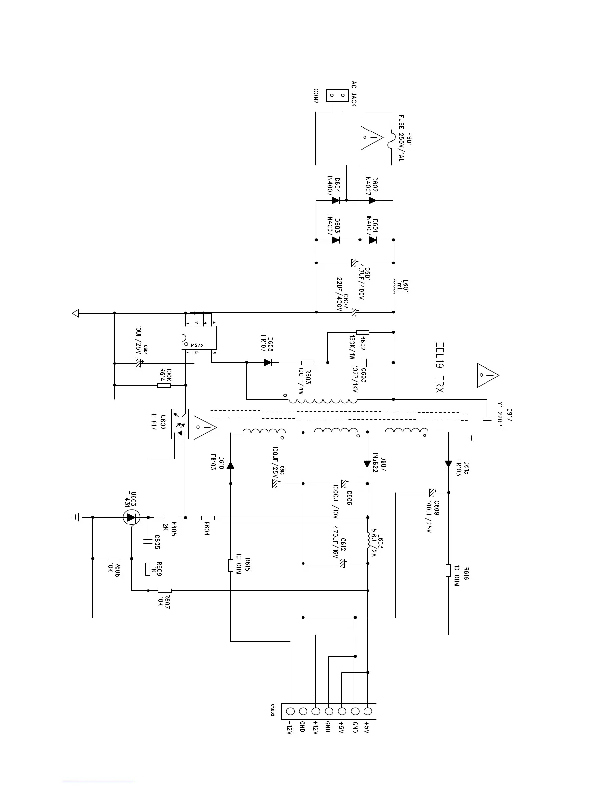
8.3 Power Board (SKY-P00904A

Table of Contents

Related product manuals