EasyManua.ls Logo

BCS VALIANT 500 - Page 84

Default Icon
244 pages
Print Icon
To Next Page IconTo Next Page
To Next Page IconTo Next Page
To Previous Page IconTo Previous Page
To Previous Page IconTo Previous Page
Loading...





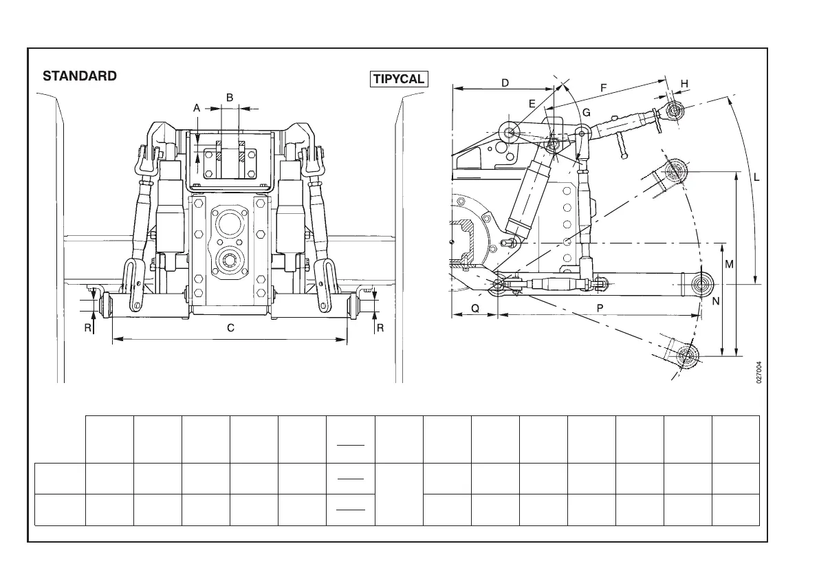
Ø 19,5 50 683 255 R 223
350
475
66°
Ø 19,5 460 530 305 600 95 Ø 22,1

0.77 dia 2.0 26.9 10.0 8.8 R
13.8
18.7
0.77 dia 18.1 20.8 12.0 23.6 3.7 0.87 dia
.1
42

Table of Contents

Related product manuals