EasyManua.ls Logo

BE BE3500IP - Wiring Diagram

BE BE3500IP
80 pages
Print Icon
To Next Page IconTo Next Page
To Next Page IconTo Next Page
To Previous Page IconTo Previous Page
To Previous Page IconTo Previous Page
Loading...
35
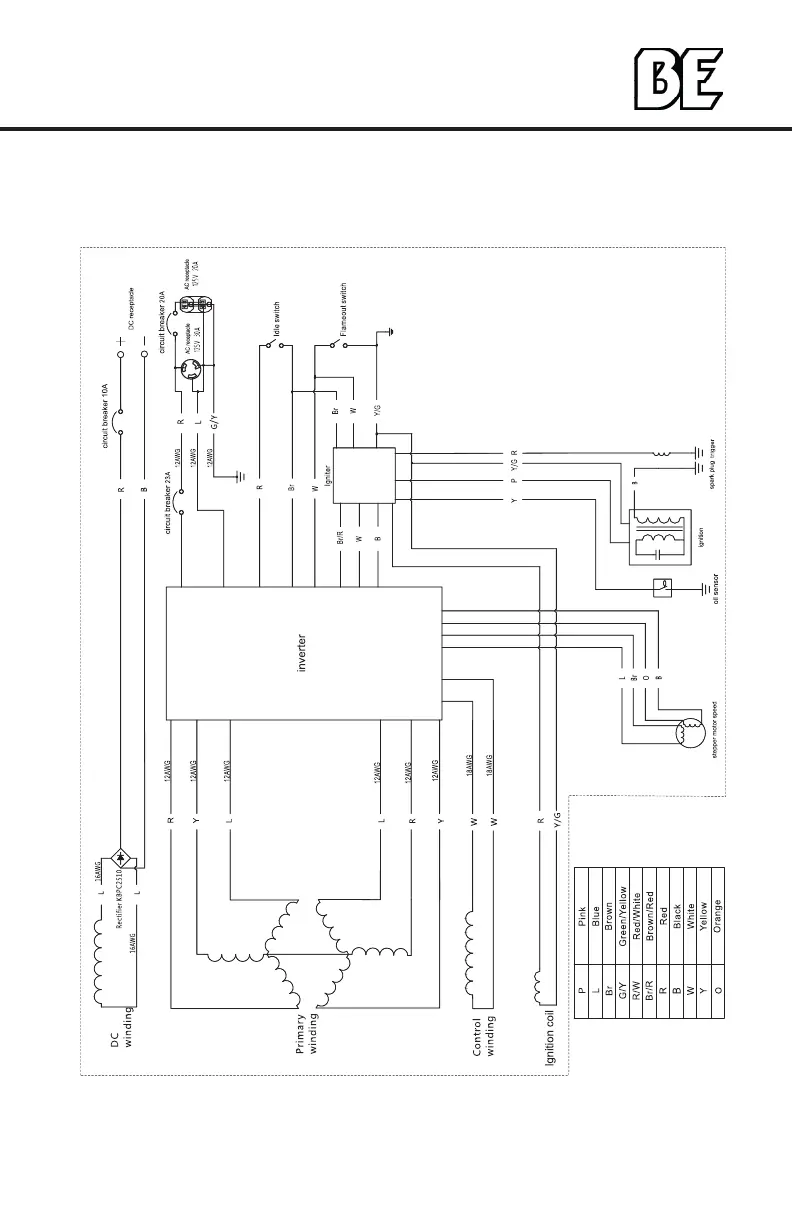
11. WIRING DIAGRAM
WIRING DIAGRAM

Related product manuals