EasyManua.ls Logo

Belling FSDF60DOW - Belling Cooker Installation: Electrical Connection; Connecting to the Electricity Supply

Belling FSDF60DOW
32 pages
Print Icon
To Next Page IconTo Next Page
To Next Page IconTo Next Page
To Previous Page IconTo Previous Page
To Previous Page IconTo Previous Page
Loading...
INSTALLATION INSTRUCTIONS - DUAL FUEL
CONNECT TO THE ELECTRICITY SUP-
PLY
Warning:Thisappliancemustbeearthed.
The appliance must be installed by a
competent electrician using a double
pole control unit of 32 ampere minimum
capacity with 3mm minimum contact
separation at all poles.
We recommend that the appliance is con-
nectedbyaqualiedelectricianwhoisa
member of the N.I.C.E.I.C. and who will
comply with the I.E.E. and local regula-
tion.
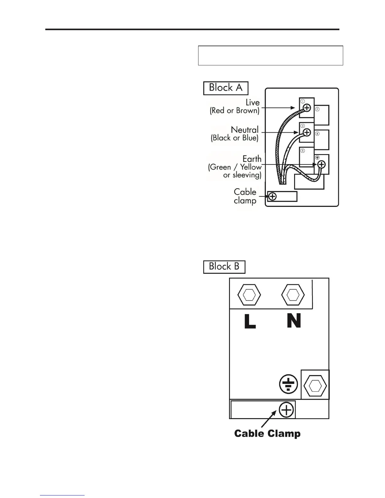
1. Access to the mains terminal is gained
by opening the terminal block cover at
therearoftheappliance(useasmallat-
bladed screwdriver).
2. Connection should be made with
6.0mm2exibletwinandearthcable.
3. First strip the wires, then push the
cable through the cable clamp in the
terminal block cover.
4. Connect the cable to the terminal block
and tighten the cable clamp screw (see
diagram).
5. Close the terminal box, ensuring that
the cover is engaged on the locking tabs.
Yourappliancewillbettedwithoneofthe
two terminal blocks below, Block A, Block B

Related product manuals