EasyManua.ls Logo

Benchmark BG4650E - Page 134

Benchmark BG4650E
146 pages
Print Icon
To Next Page IconTo Next Page
To Next Page IconTo Next Page
To Previous Page IconTo Previous Page
To Previous Page IconTo Previous Page
Loading...
55
MC
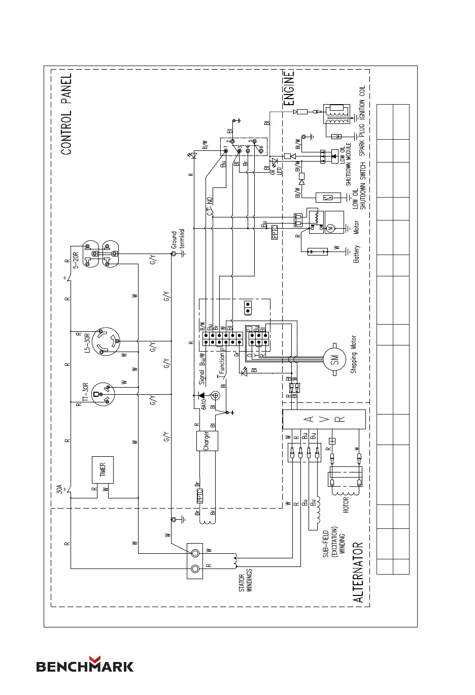
10. DIAGRAMME DU CÂBLAGE BG4650E
Black
Brown
Bl
Br
Yellow/Green
Orange
Y/G
O
Brown/Red
Black and White
Br/R
Bl/W
Blue
Light Blue
Bu
LB
Green
Gray
G
Gr
W WhiteBlack
Red
Bl
R

Table of Contents

Other manuals for Benchmark BG4650E

Related product manuals