EasyManua.ls Logo

Benchmark BG4650E - Page 137

Benchmark BG4650E
146 pages
Print Icon
To Next Page IconTo Next Page
To Next Page IconTo Next Page
To Previous Page IconTo Previous Page
To Previous Page IconTo Previous Page
Loading...
58
BG SERIES
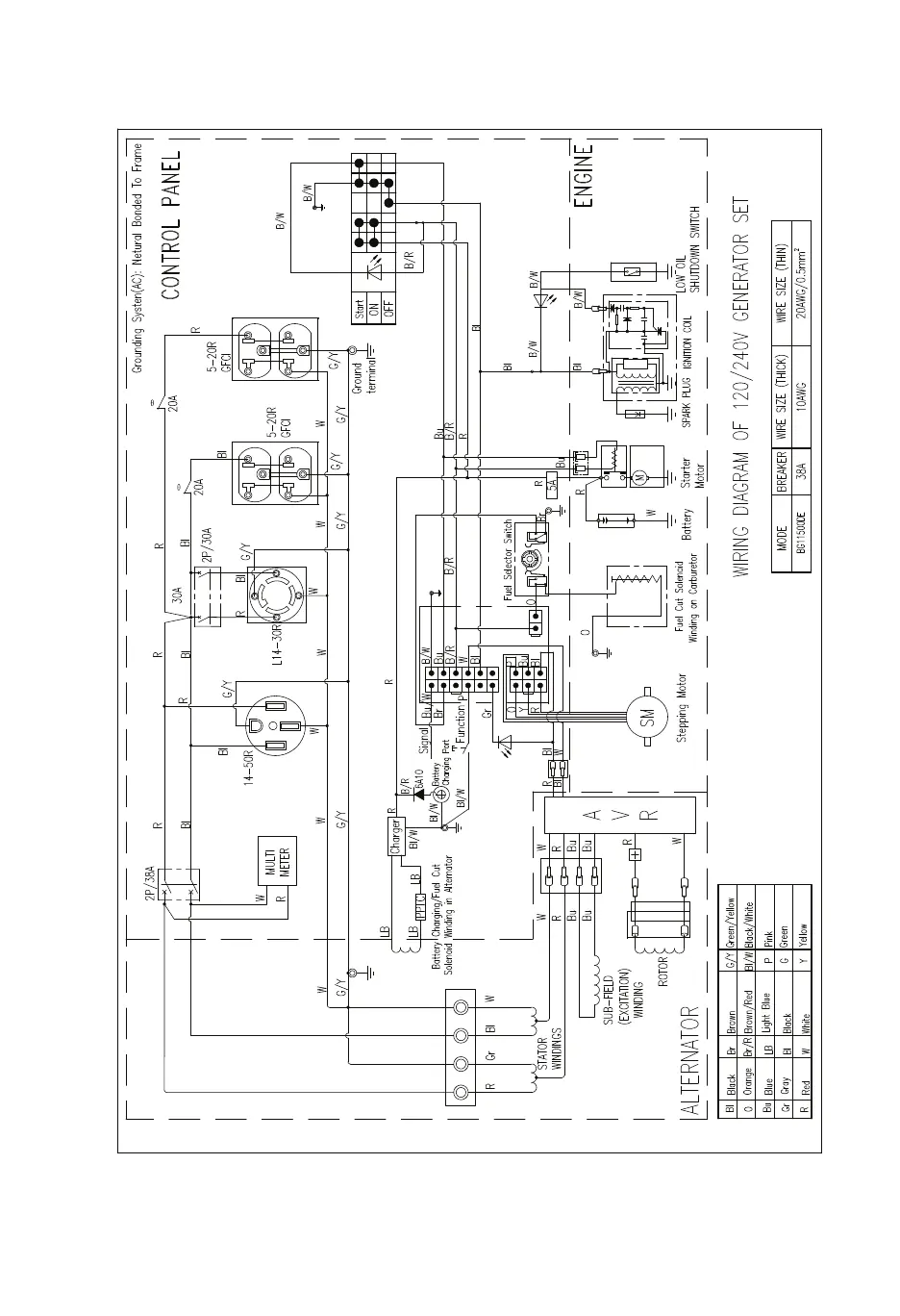
DIAGRAMME DU CÂBLAGE BG11,500DE

Table of Contents

Other manuals for Benchmark BG4650E

Related product manuals