EasyManua.ls Logo

Benchmark RD 532 combi - Siting the Flue Terminal

Benchmark RD 532 combi
80 pages
Print Icon
To Next Page IconTo Next Page
To Next Page IconTo Next Page
To Previous Page IconTo Previous Page
To Previous Page IconTo Previous Page
Loading...
6 720 611 451 GB (03.11)
Installation
17
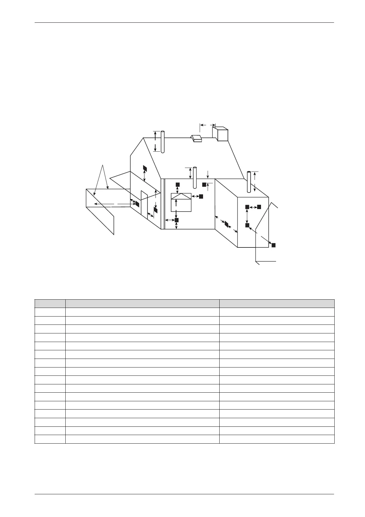
3.9.1 Siting the Flue Terminal
The flue must be installed in accordance with
BS 5440:1 and the Building Regulations. Flue terminals
in carports and under balconies are to be avoided.
The terminal must be positioned so that it does not
cause an obstruction nor the combustion products a
nuisance. See fig. 15 and table 10.
The terminal will, at times, give out a plume of water
vapour and consideration must be given to this when
choosing a terminal position. Keep clear of security
lighting, activated by passive infra-red sensing heads.
If the terminal is less than 2 m above a surface to which
people have access then a guard must be fitted. The
guard must be evenly spaced about the terminal with a
space of 50 mm in each direction and fixed with plated
screws.
A guard Type K6 for the standard horizontal flue, can be
obtained from Tower Flue Components, Vale Rise, Ton-
bridge TN9 1TB.
Fig. 15
Minimum dimensions of flue terminal positions
(all types) (see fig 15. 15)
Q
Q
D,E
M
N
B
C
G
H
L
I
I
boundary
Q
K
H
H
A
F
J
P
Dimension Terminal position (kW input expressed in net) Balanced flues room sealed: Fanned draught
A
1)
Directly below an opening, air brick, opening windows, etc. 300 mm
B
1)
Above an opening, air brick, opening window, etc. 300 mm
C
1)
Horizontally to an opening, air brick, opening window, etc. 300 mm
D Below gutters, soil pipes or drain pipes 75 mm
E Below eaves 200 mm
F Below balconies or car port roof (lowest point) Not recommended
G From a vertical drain pipe or soil pipe 75 mm
H From an internal or external corner or to a boundary alongside the terminal 300 mm
I Above ground roof or balcony level 300 mm
J From a surface or boundary facing the terminal 1200 mm
K From a terminal facing the terminal 2000 mm
L From an opening in the car port (e. g. door, window) into the dwelling Not recommended
M Vertically from a terminal on the same wall 1500mm
N Horizontally from a terminal on the same wall 300 mm
P From a vertical structure on the roof 500 mm
Q Above intersection with roof 300 mm
Table 10
1) In addition, the terminal should not be nearer than 150 mm (fanned draught) to an opening in the building fabric formed for the pur-
pose of accommodating a built-in element such as a window frame.

Table of Contents

Related product manuals