EasyManua.ls Logo

Benning MM P3 - Page 10

Benning MM P3
Print Icon
To Next Page IconTo Next Page
To Next Page IconTo Next Page
To Previous Page IconTo Previous Page
To Previous Page IconTo Previous Page
Loading...
12/ 2007
BENNING MM P3
11
D
lässt sich das Messergebnis speichern. Im Display wird gleichzeitig das
Symbol „HOLD“ eingeblendet. Erneutes Betätigen der Taste schaltet in den
Messmodus zurück.
5.1.5 Die Taste SELECT” 5 hlt die Zweit- oder Drittfunktion der
Drehschalterstellung.
Hinweis:
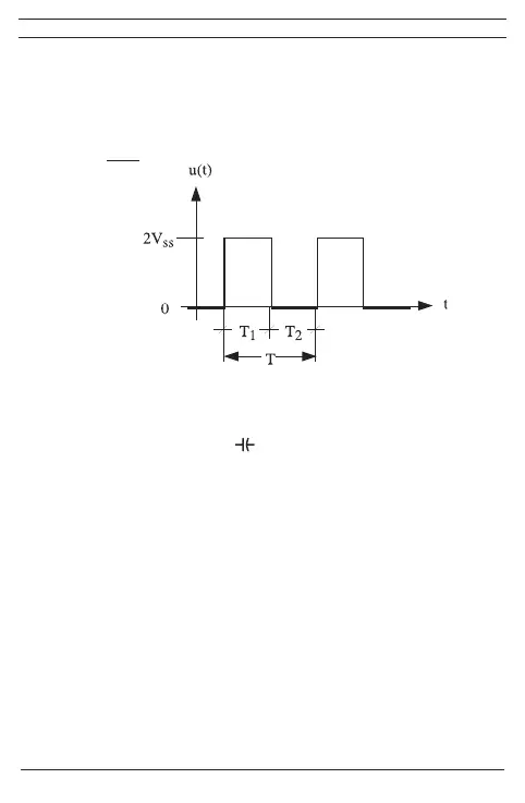
Die Funktion %” beschreibt das Tastverhältnis von periodischen Signalen
.
[%] =
T1
T
5.1.6 Die Bereichstaste „RANGE“ 6 dient zur Weiterschaltung der manuellen
Messbereiche bei gleichzeitiger Ausblendung von „AUTO“ im Display. Durch
längeren Tastendruck (1 Sekunde) wird die automatische Bereichswahl
gewählt (Anzeige „AUTO“).
In der Drehschalterstellung hat die Taste „RANGE“ eine Relativwert-
Funktion „REL “. Durch Tastenbetätigung wird der anliegende Messwert
gespeichert und die Differenz (Offset) zwischen dem gespeicherten
Messwert und den folgenden Messwerten angezeigt. Die Relativwert-
Funktion „REL ∆“ ermöglicht den Nullabgleich des Kapazitätsbereiches bei
nicht kontaktierten Messleitungen. Eine erneute Tastenbetätigung schaltet in
den Normalmodus zurück.
5.1.7 Die Messrate des BENNING MM P3 beträgt nominal 3 Messungen pro
Sekunde für die Digitalanzeige.
5.1.8 Das BENNING MM P3 wird durch den Drehschalter 7 ein- oder ausge-
schaltet. Ausschaltstellung „OFF“.
5.1.9 Das BENNING MM P3 schaltet sich nach ca. 30 min selbsttätig ab (APO,
Auto-Power-Off). Die automatische Abschaltung lässt sich deaktivieren
indem sie die Taste „RANGE“ betätigen und gleichzeitig das BENNING MM
P3 aus der Schaltstellung „OFF“ ein schalten.
5.1.10 Temperaturkoeffizient des Messwertes: 0,2 x (angegebene Mess genauigkeit)/
°C < 18 °C oder > 28 °C, bezogen auf den Wert bei der Referenztemperatur
von 23 °C.
5.1.11 Das BENNING MM P3 wird durch zwei 1,5-V-Batterien (LR44) gespeist.
5.1.12 Wenn die Batteriespannung unter die vorgesehene Arbeitsspannung des
BENNING MM P3 sinkt, erscheint in der Anzeige ein Batterie symbol .

Related product manuals