EasyManua.ls Logo

BENSON VRBD 250 - Page 26

BENSON VRBD 250
38 pages
Print Icon
To Next Page IconTo Next Page
To Next Page IconTo Next Page
To Previous Page IconTo Previous Page
To Previous Page IconTo Previous Page
Loading...
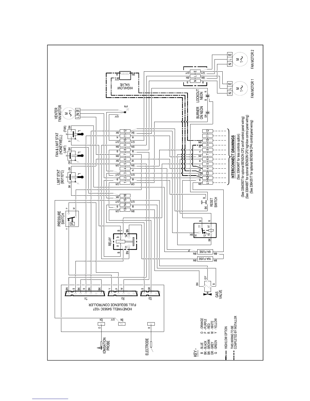
Wiring Diagram VRBD 410- Auto Ignition
WARNING NEUTRAL RESET

Related product manuals