EasyManua.ls Logo

bester PDE 50 - Page 56

bester PDE 50
Print Icon
To Next Page IconTo Next Page
To Next Page IconTo Next Page
To Previous Page IconTo Previous Page
To Previous Page IconTo Previous Page
Loading...
B-21
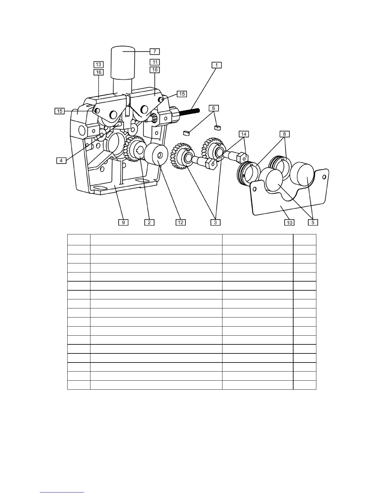
PDE 50 Wire Drive System
Item Description Part Number Qty
1 Incoming Guide Tube 0646-231-056R 1
2 Output Motor Gear 0646-231-070R 1
3 Gear Adapter 0646-231-071R 2
4 Middle Guide Tube 0646-231-076R 1
5 Fixing Cap 0646-231-077R 2
6 Paralell Key 0646-231-079R 2
7 Pressure Device Assembly 0646-231-079R 1
8 Roll see accessories 2
9 Feed Plate 0646-231-116R 1
10 Cover Plate 0646-231-122R 1
11 Right Pressure Arm Assembly 0646-231-118R 1
12 Fixing Cap 0646-231-121R 1
13 Left Pressure Arm Assembly 0646-231-117R 1
14 Axle Shaft Gear Adaptor 0646-231-074R 2
15 Pressure Arm Axle 0646-231-120R 2
16 Presure Arm Spring 0646-231-110R 2

Related product manuals