EasyManua.ls Logo

BestPack MSD 22-2 - Control Panel Diagram

Default Icon
40 pages
Print Icon
To Next Page IconTo Next Page
To Next Page IconTo Next Page
To Previous Page IconTo Previous Page
To Previous Page IconTo Previous Page
Loading...
YOUR ONE SOURCE
Manual Sidedrive Dual Mast Carton Sealer (MSD)
36
Drawings and Parts Lists
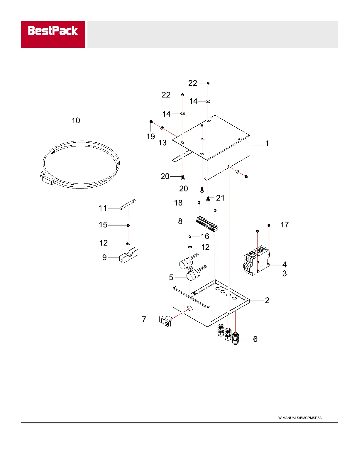
CONTROL PANEL ASSEMBLY

Related product manuals