EasyManua.ls Logo

BFT ORO - Page 17

BFT ORO
40 pages
Print Icon
To Next Page IconTo Next Page
To Next Page IconTo Next Page
To Previous Page IconTo Previous Page
To Previous Page IconTo Previous Page
Loading...
28 -
ORO - Ver. 03
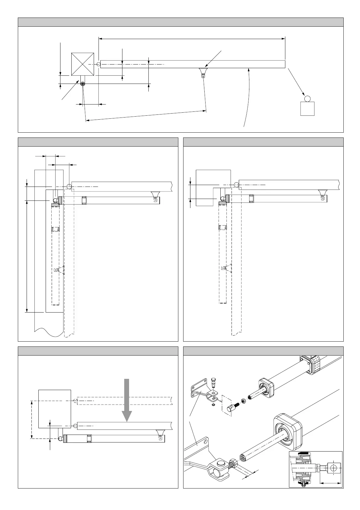
Fig. 4
Fig. 6Fig. 5
Fig. 8Fig. 7
45
a
bMin. 1000
b
40
b
+5
-5
b
kg
C
a
P
D
F
b
x
Z=b-x >40mm
F
ORO - ORO E- 17
D811247_05

Other manuals for BFT ORO

Related product manuals