EasyManua.ls Logo

BFT THALIA - Page 14

BFT THALIA
24 pages
Print Icon
To Next Page IconTo Next Page
To Next Page IconTo Next Page
To Previous Page IconTo Previous Page
To Previous Page IconTo Previous Page
Loading...
ENGLISH
INSTALLATION MANUAL
x 2
0---
000
para .
logic
10--
OK
OK
150-
OK
1520
OK OK
/
para .
1
pRg
OK OK
000
para . pRg
OK OK
2
000
para . pRg
OK OK
P1
P2
P1
P2
P1
P2
P1
P2
P1
P2
P1
P2
P1
P2
//
/
000
OK
logic.
1
pRg
OK OK
000
pRg
OK OK
. . .
pRg
OK OK
pRg
OK
P1
P2
P1
P2
P1
P2
P1
P2
//
/
/
/
/
logic.
logic.
2
radio
OK
add. start hidden butt desired buttonrelease
OK
/
01
Add. 2ch hidden butt desired buttonrelease
OK
01
prg.
OK
erase 64
ia9c
OK
22fd
OK
01
OK OK
cod rh
OK
u
off
/
default
OK
pRg
/
language
OK OK
OK
OK
OK
OK
ita
fra
deu
eng
esp
/
/
/
autoset
OK
. . . . . .
/
/
l.sw adj
OK
/
OK
/
1
2
op 1
OK
op 2
OK
cl 2
OK
cl 1
ersu
1
2
1
2
1
2
1
2
1
2
E5 A18 - E5 A12
GIUNO ULTRA
manual mouvement
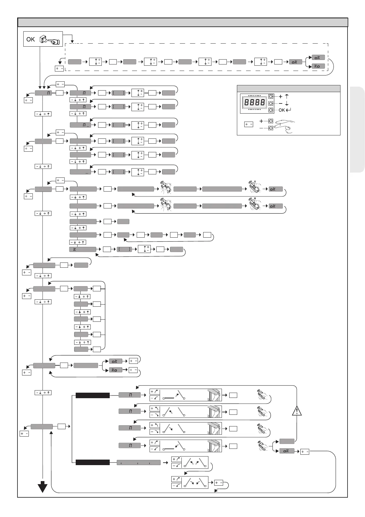
Password entry. Request with Protection Level logic set to 1, 2, 3, 4
Scroll up
Scroll down
Exit Menù
Conrm/Switch on
display
LEGENDA
SEE PARAMETERS MENU
SEE LOGIC MENU
SEE RADIO MENU
or
or
or
or
or
or
or
or
ACCESS MENUS FIG. 1
THALIA - 29
D814123 0AA00_01

Related product manuals